| Соответствие стандарту | ISO |
| Для конкретного применения | Для погрузочно-разгрузочного оборудования |
| Материал корпуса | Чугун |
| Уплотнение, подшипник | Уплотнения и маслоотражательные кольца с обеих сторон |
| Тип уплотнения, подшипник | Контактное, стандартное |
| Уплотнение, узел | Опциональная торцевая крышка |
| Покрытие | Без |
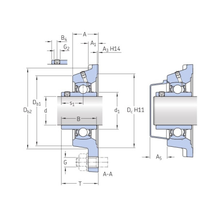
Размеры
| d | 38.1 mm | Диаметр отверстия |
|---|---|---|
| d1 | ≈ 51.8 mm | Наружный диаметр внутреннего кольца |
| A | 38.5 mm | Ширина корпуса |
| A1 | 14 mm | Ширина фланца |
| A3 | 3.2 mm | Глубина центрирующей выточки |
| A5 | 26 mm | Выступающая часть торцевой крышки |
| B | 49.2 mm | Ширина внутреннего кольца |
| B1 | 49.2 mm | Общая ширина подшипника |
| B4 | 8 mm | Расстояние от торца фиксирующего устройства до центра резьбы |
| Db1 | 98 mm | Верхний наружный диаметр |
| Db2 | 106 mm | Наружный диаметр основания |
| Dc | 115.9 mm | Диаметр центрирующей выточки корпуса |
| J | 101.5 mm | Расстояние между крепёжными болтами |
| L | 130 mm | Общая длина |
| N | 14 mm | Диаметр отверстия для крепёжного болта |
| s1 | 30.2 mm | Расстояние от торца фиксирующего устройства до центра дорожки качения |
| T | 54.2 mm | Общая ширина |
| RG | 1/4-28 UNF | Резьба в корпусе для пресс-маслёнки |
|---|---|---|
| R1 | 25.5 mm | Осевое позиционирование резьбы в корпусе |
| DN | 6.5 mm | Диаметр сферы головки пресс-маслёнки |
|---|---|---|
| SWN | 7 mm | Размер шестигранного ключа для пресс-маслёнки |
| GN | 1/4-28 SAE-LT | Резьба пресс-маслёнки |
| J6 | 118 mm | Расстояние между установочными штифтами |
|---|---|---|
| J7 | 34 mm | Осевое смещение установочных штифтов |
| N4 | 4 mm | Рекомендуемый диаметр установочных штифтов |
Расчётные данные
| Номинальная динамическая грузоподъёмность | C | 30.7 kN |
|---|---|---|
| Номинальная статическая грузоподъёмность | C0 | 19 kN |
| Предел усталостной прочности | Pu | 0.8 kN |
| Предельная частота вращения | 4 800 r/min | |
| Предельная частота вращения с допуском вала h6 |
Информация по монтажу
| Установочный винт | G2 | 5/16-24 UNF |
|---|---|---|
| Размер шестигранного ключа для установочного винта | 3.969 mm | |
| Рекомендуемый момент затяжки установочного винта | 6.5 N·m | |
| Рекомендуемый диаметр крепёжных болтов, мм | G | 12 mm |
| Рекомендуемый диаметр крепёжных болтов, дюймы | G | 0.5 in |
|
Ширина, мм
|
54,2 |
|
Вес, кг
|
1,851 |