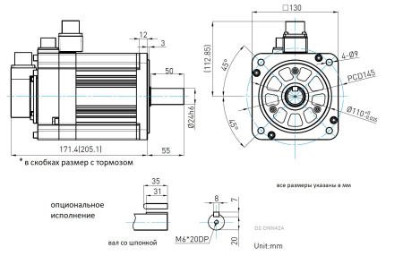
Серводвигатель FR-MM-2K-2-0-6-13-D относится к серии сервоприводов D2. Основные технические характеристики двигателя приведенные в таблице ниже. Двигатель имеет встроенный 17 битный энкодер. Степень защиты - IP65 (кроме вала и разьемов). Вал двигателя под шпонку, с сальником, диаметром 24мм.
| Мощность, кВт (S1) | Крутящий момент, Нм | Крутящий момент пиковый, Нм | Частота вращения номинальная (максимальная), об/мин | Момент инерции ротора,г*см*см | Размер фланца, мм |
| 2 | 9,55 | 28,65 | 2000 (3000) | 13000 | 130 |
Управление двигателем осуществляется через драйвер D2T-2032-_-D4, подключение к драйверу - силовым HVPM04CA__MB и энкодерным HVE13ICB__MB кабелями.
|
Момент удержания, Нм
|
9.55 |
|
Момент (пиковый), Нм
|
28.65 |
|
Скорость, об/мин
|
2000 |
|
Напряжение, В
|
220 |
|
Скорость (максимальная), об/мин
|
3000 |
|
Энкодер
|
17 бит |
|
Ток пик, A
|
31.2 |
|
Ток, A
|
10.4 |
|
Фланец, мм
|
130 |
|
Диаметр вала, мм
|
24 |
|
Степень защиты
|
IP65 |
|
Тормоз
|
нет |
|
Режим работы
|
S1 |
|
Момент инерции ротора, г*см.кв.
|
13000 |
|
Мощность, кВт
|
2 |
|
Диапазон рабочих температур, °C
|
от 0 до +40 |
|
Класс изоляции
|
F |
|
Серия сервопривода
|
FR |
|
Длина, мм
|
226,4 |
|
Ширина, мм
|
177,85 |
|
Высота, мм
|
130 |