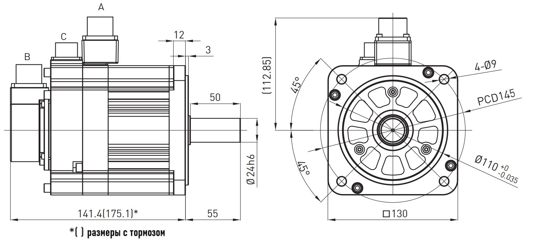
Серводвигатель EM1-A-M-1K-2-0-F-0-D относится к серии сервоприводов E1. Основные технические характеристики двигателя приведенные в таблице ниже. Двигатель имеет встроенный 23 битный абсолютный энкодер. Степень защиты - IP65 (вал IP40). Вал двигателя под шпонку, с сальником, диаметром 24мм.
| Мощность, кВт (S1) | Крутящий момент, Нм | Крутящий момент пиковый, Нм | Частота вращения номинальная (максимальная), об/мин | Момент инерции ротора,г*см*см | Размер фланца, мм |
| 1 | 4,7 | 14,3 | 2000 (3000) | 7200 | 130 |
Управление двигателем осуществляется через драйвер ED1S-VN-1023-A0, подключение к драйверу - силовым HVPM04CB__MB и энкодерным HVE13ICB__MB кабелями.
|
Момент удержания, Нм
|
4.7 |
|
Момент (пиковый), Нм
|
14.3 |
|
Скорость, об/мин
|
2000 |
|
Напряжение, В
|
220 |
|
Скорость (максимальная), об/мин
|
3000 |
|
Энкодер
|
23 бит А |
|
Ток пик, A
|
15.3 |
|
Ток, A
|
5.1 |
|
Фланец, мм
|
130 |
|
Диаметр вала, мм
|
24 |
|
Степень защиты
|
IP65 |
|
Тормоз
|
нет |
|
Режим работы
|
S1 |
|
Момент инерции ротора, г*см.кв.
|
7200 |
|
Мощность, кВт
|
1 |
|
Диапазон рабочих температур, °C
|
от 0 до +40 |
|
PCD, мм
|
149 |
|
Класс изоляции
|
F |
|
Серия сервопривода
|
E1 |
|
Центрирующий поясок, мм
|
130 |
|
Длина, мм
|
141,4 |
|
Ширина, мм
|
130 |
|
Высота, мм
|
130 |
|
Вес, кг
|
6,5 |
|
Страна производства
|
ТАЙВАНЬ (КИТАЙ) |