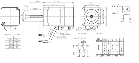
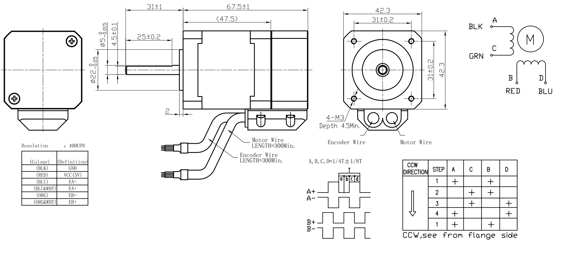
Гибридный шаговый двигатель Fulling Motor FL42SC05-1684MA-EN400 имеет 4 вывода для подключения и следующие электромеханические характеристики:
| Тип включения обмоток | Момент удержания, Н⋅м | Ток, А | Сопротивление фазы, Ом | Индуктивность фазы, мГн |
| биполярное | 0,4 | 1,68 | 1,8 | 5,5 |
Двигатель имеет стандарный типоразмер NEMA 17, вал диаметром 5 мм. Его механические характеристики приведены в таблице ниже:
| Длина корпуса, мм | Угол шага, град. | Момент инерции ротора, г⋅см2 | Масса, кг | Радиальная нагрузка, H | Аксиальная нагрузка, H |
| 67,5 | 0,9 | 68 | 0,35 | 28 | 10 |
Для обеспечения обратной связи по положению вала на двигателе установлен квадратурный энкодер. Разрешение энкодера 400 импульсов на оборот, напряжение питания 5В, выходы A,B.
Гарантийный срок - 12 месяцев с момента покупки при обязательном соблюдении технологии монтажа, режима и условий эксплуатации, предусмотренных производителем.
Всегда в наличии широкий выбор компонентов шагового и серво-шагового привода: двигателей, драйверов, кабелей и других принадлежностей.
При необходимости уточнения технических характеристик, возникновении других вопросов, пожалуйста, свяжитесь с нами по телефону, электронной почте или через мессенджеры.
|
Тип двигателя
|
шаговый двигатель с энкодером |
|
Момент удержания, Нм
|
0.4 |
|
Ток, A
|
1.68 |
|
Фланец ШД
|
NEMA 17 (42 мм) |
|
Диаметр вала, мм
|
5 |
|
Степень защиты
|
IP30 |
|
Тормоз
|
нет |
|
Диапазон рабочих температур, °C
|
от -20 до +50 |
|
Индуктивность, мГн
|
5.5 |
|
Сопротивление обмотки, Ом
|
1.8 |
|
Угол шага, град.
|
0,9 |
|
Количество выводов
|
4 |
|
Серия шагового привода
|
SC |
|
Длина, мм
|
67,5 |
|
Ширина, мм
|
42 |
|
Высота, мм
|
42 |
|
Вес, кг
|
0.6 |