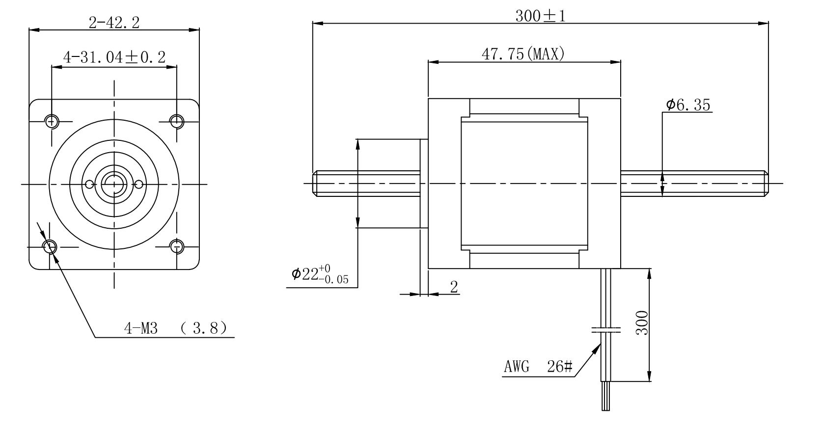
Линейный шаговый актуатор 42NC4B-2.33-001 имеет 4 вывода для подключения и следующие электромеханические характеристики:
| Тип включения | Усилие, кг | Ток, А | Сопротивление фазы, Ом | Индуктивность фазы, мГн |
| биполярное | 5 (при 300имп/с) | 2,6 | 0,9 | 1,33 |
Двигатель актуатора имеет стандартный типоразмер NEMA 17, исполнение со свободным штоком. Вал двигателя полый, с внутренней гайкой, при вращении которой которой приводится в движение винт. Подвижный винт актуатора диаметром 6,35мм. Механические характеристики актуатора приведены в таблице ниже:
| Длина корпуса, мм | Угол шага | Шаг резьбы винта, мм | Дискретность шага, мкм | Длина винта, мм |
| 47,75 | 1,8 | 3,175 | 15,875 | 300 |
Для подключения рекомендуем использовать драйвер M542 и источник питания RPS369.
|
Тип двигателя
|
шаговый двигатель |
|
Ток, A
|
2.6 |
|
Фланец ШД
|
NEMA 17 (42 мм) |
|
Индуктивность, мГн
|
1.33 |
|
Сопротивление обмотки, Ом
|
0.9 |
|
Угол шага, град.
|
1,8 |
|
Длина, мм
|
47,75 |
|
Вес, кг
|
0.4 |
|
Страна производства
|
КИТАЙ |