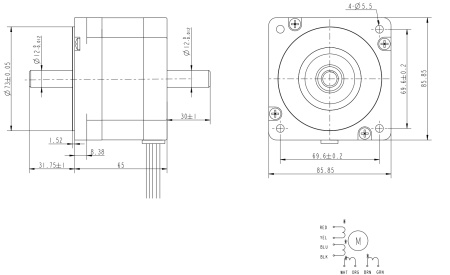
Гибридный шаговый двигатель Fulling Motor FL86STH65-2808B-12 имеет 8 выводов для подключения и следующие электромеханические характеристики при различных типах включения:
| Тип включения обмоток | Момент удержания, Н⋅м | Ток, А | Сопротивление фазы, Ом | Индуктивность фазы, мГн |
| униполярное | 2,2 | 2,8 | 1,3 | 3,9 |
| последовательное | 3,5 | 2 | 2,6 | 15,6 |
| параллельное | 3,5 | 4 | 0,65 | 3,9 |
Двигатель имеет стандартный типоразмер NEMA 34, два вала диаметром 12 мм, его механические характеристики приведены в таблице ниже:
| Длина корпуса, мм | Угол шага, град. | Момент инерции ротора, г⋅см2 | Масса, кг | Радиальная нагрузка, H | Аксиальная нагрузка, H |
| 65 | 1,8 | 1000 | 1,7 | 220 | 60 |
|
Тип двигателя
|
шаговый двигатель |
|
Момент удержания, Нм
|
2.2 |
|
Ток, A
|
2.8 |
|
Фланец, мм
|
86 |
|
Фланец ШД
|
NEMA 34 (86 мм) |
|
Тип вала
|
с двух сторон |
|
Диаметр вала, мм
|
12 |
|
Степень защиты
|
IP30 |
|
Тормоз
|
нет |
|
Диапазон рабочих температур, °C
|
от -20 до +50 |
|
Индуктивность, мГн
|
3.9 |
|
Сопротивление обмотки, Ом
|
1.3 |
|
Угол шага, град.
|
1,8 |
|
Количество выводов
|
8 |
|
PCD, мм
|
121.05 |
|
Количество фаз
|
2 |
|
Класс изоляции
|
B |
|
Серия шагового привода
|
STH |
|
Центрирующий поясок, мм
|
73 |
|
Длина, мм
|
65 |
|
Ширина, мм
|
85,85 |
|
Высота, мм
|
85,85 |
|
Вес, кг
|
1.8 |
|
Страна производства
|
КИТАЙ |