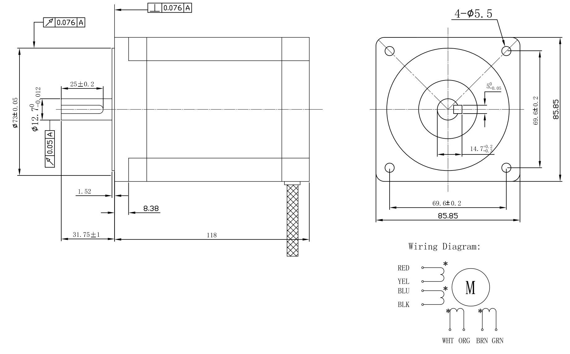
Гибридный шаговый двигатель Fulling Motor FL86STH118-4208A-12,7 имеет 8 выводов для подключения и следующие электромеханические характеристики при различных типах включения:
Характеристики:
| Тип включения обмоток | Момент удержания, Н⋅м | Ток, А | Сопротивление фазы, Ом | Индуктивность фазы, мГн |
| униполярное | 6 | 4,2 | 1,2 | 6,5 |
| последовательное | 8,5 | 3 | 2,4 | 26 |
| параллельное | 8,5 | 6 | 0,6 | 6,5 |
Двигатель имеет стандартный типоразмер NEMA 34, вал диаметром 12,7 мм, его механические характеристики приведены в таблице ниже:
| Длина корпуса, мм | Угол шага, град. | Момент инерции ротора, г⋅см2 | Масса, кг | Радиальная нагрузка, H | Аксиальная нагрузка, H |
| 118 | 1,8 | 2700 | 3,8 | 220 | 60 |
Для подключения рекомендуем использовать драйвер EM705 или EM806 и источник питания SPS487 или SPS705.
|
Тип двигателя
|
шаговый двигатель |
|
Момент удержания, Нм
|
6 |
|
Ток, A
|
4.2 |
|
Фланец ШД
|
NEMA 34 (86 мм) |
|
Тип вала
|
с одной стороны |
|
Диаметр вала, мм
|
12,7 |
|
Степень защиты
|
IP30 |
|
Тормоз
|
нет |
|
Диапазон рабочих температур, °C
|
от -20 до +50 |
|
Индуктивность, мГн
|
6.5 |
|
Сопротивление обмотки, Ом
|
1.2 |
|
Угол шага, град.
|
1,8 |
|
Количество выводов
|
8 |
|
PCD, мм
|
121.26 |
|
Класс изоляции
|
B |
|
Серия шагового привода
|
STH |
|
Центрирующий поясок, мм
|
22 |
|
Длина, мм
|
149,8 |
|
Ширина, мм
|
85,8 |
|
Высота, мм
|
85,8 |
|
Вес, кг
|
3.8 |
|
Страна производства
|
КИТАЙ |