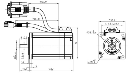
Гибридный шаговый двигатель Leadshine со встроенным энкодером на 1000 отсчетов имеет 4 вывода для подключения и следующие электромеханические характеристики:
| Тип включения | Момент удержания, Н⋅м | Ток, А | Сопротивление фазы, Ом | Индуктивность фазы, мГн |
| биполярное | 2,6 | 5 | 0,44 | 2 |
Двигатель имеет стандарный типоразмер NEMA 23, вал диаметром 8мм. Его механические характеристики приведены в таблице ниже:
| Длина, мм | Угол шага, град. | Момент инерции, г⋅см2 | Масса, кг | Радиальная нагрузка, H | Аксиальная нагрузка, H |
| 104 | 1,8 | 520 | 1,6 | 75 | 15 |
Для подключения рекомендуем использовать драйвер CS-D508 или CS-D808 и источник питания SPS407 или SPS487.
Гарантийный срок - 12 месяцев с момента покупки (при обязательном соблюдении технологии монтажа, режима и условий эксплуатации, предусмотренных производителем).
Всегда в наличии широкий выбор компонентов шагового и серво-шагового привода: двигателей, драйверов, кабелей и других принадлежностей.
При необходимости уточнения технических характеристик, возникновении других вопросов, пожалуйста, свяжитесь с нами по телефону, электронной почте или через мессенджеры.
|
Тип двигателя
|
шаговый двигатель с энкодером |
|
Момент удержания, Нм
|
2.6 |
|
Энкодер
|
1000 имп/об |
|
Ток, A
|
5 |
|
Фланец, мм
|
56.4 |
|
Фланец ШД
|
NEMA 23 (57 мм) |
|
Тип вала
|
с одной стороны |
|
Диаметр вала, мм
|
8 |
|
Степень защиты
|
IP40 |
|
Тормоз
|
нет |
|
Индуктивность, мГн
|
2 |
|
Сопротивление обмотки, Ом
|
0.44 |
|
Угол шага, град.
|
1,8 |
|
Количество выводов
|
4 |
|
PCD, мм
|
47.14 |
|
Количество фаз
|
2 |
|
Центрирующий поясок, мм
|
38.1 |
|
Длина, мм
|
104 |
|
Ширина, мм
|
56,4 |
|
Высота, мм
|
70 |
|
Вес, кг
|
1.4 |
|
Страна производства
|
Китай |