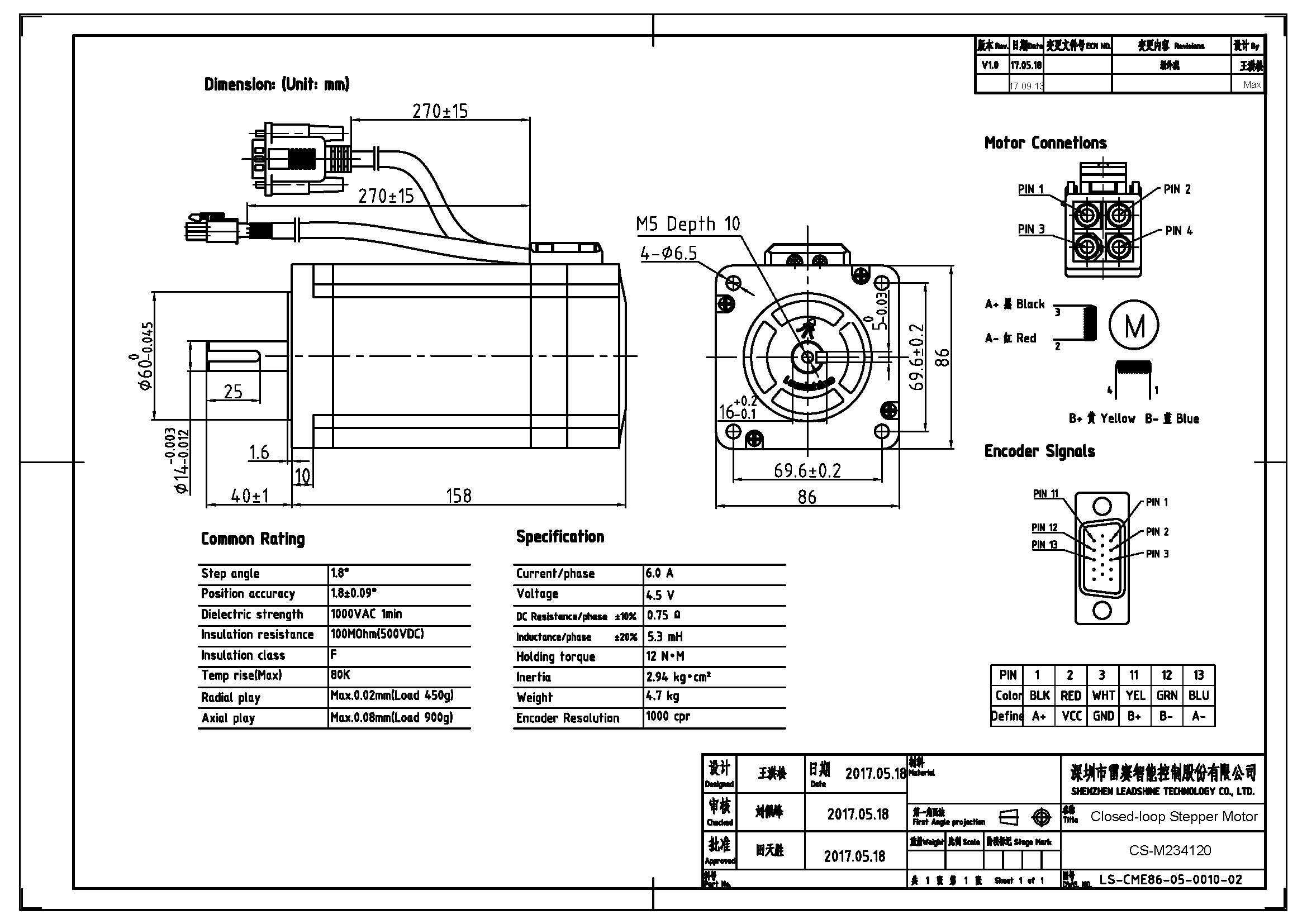
Leadshine CS-M234120 - гибридный шаговый двигатель со встроенным энкодером на 1000 отсчетов имеет 4 вывода для подключения и следующие электромеханические характеристики:
| Тип включения | Момент удержания, Н⋅м | Ток, А | Сопротивление фазы, Ом | Индуктивность фазы, мГн |
| биполярное | 12 | 6 | 0,75 | 5,3 |
Двигатель имеет стандартный типоразмер NEMA 34, вал диаметром 14мм. Его механические характеристики приведены в таблице ниже:
| Длина, мм | Угол шага, град. | Момент инерции, г⋅см2 | Масса, кг | Радиальная нагрузка, H | Аксиальная нагрузка, H |
| 158 | 1,8 | 3000 | 4,7 | 220 | 60 |
Для подключения рекомендуем использовать драйвер CS-D1008 и источник питания SPS705.
|
Тип двигателя
|
шаговый двигатель с энкодером |
|
Момент удержания, Нм
|
12 |
|
Энкодер
|
1000 имп/об |
|
Ток, A
|
6 |
|
Фланец ШД
|
NEMA 34 (86 мм) |
|
Тип вала
|
с одной стороны |
|
Диаметр вала, мм
|
14 |
|
Степень защиты
|
IP40 |
|
Тормоз
|
нет |
|
Индуктивность, мГн
|
5.3 |
|
Сопротивление обмотки, Ом
|
0.75 |
|
Угол шага, град.
|
1,8 |
|
Количество выводов
|
4 |
|
PCD, мм
|
69.6 |
|
Количество фаз
|
2 |
|
Центрирующий поясок, мм
|
60 |
|
Длина, мм
|
198 |
|
Ширина, мм
|
85,8 |
|
Высота, мм
|
85,8 |
|
Вес, кг
|
4.7 |
|
Страна производства
|
КИТАЙ |