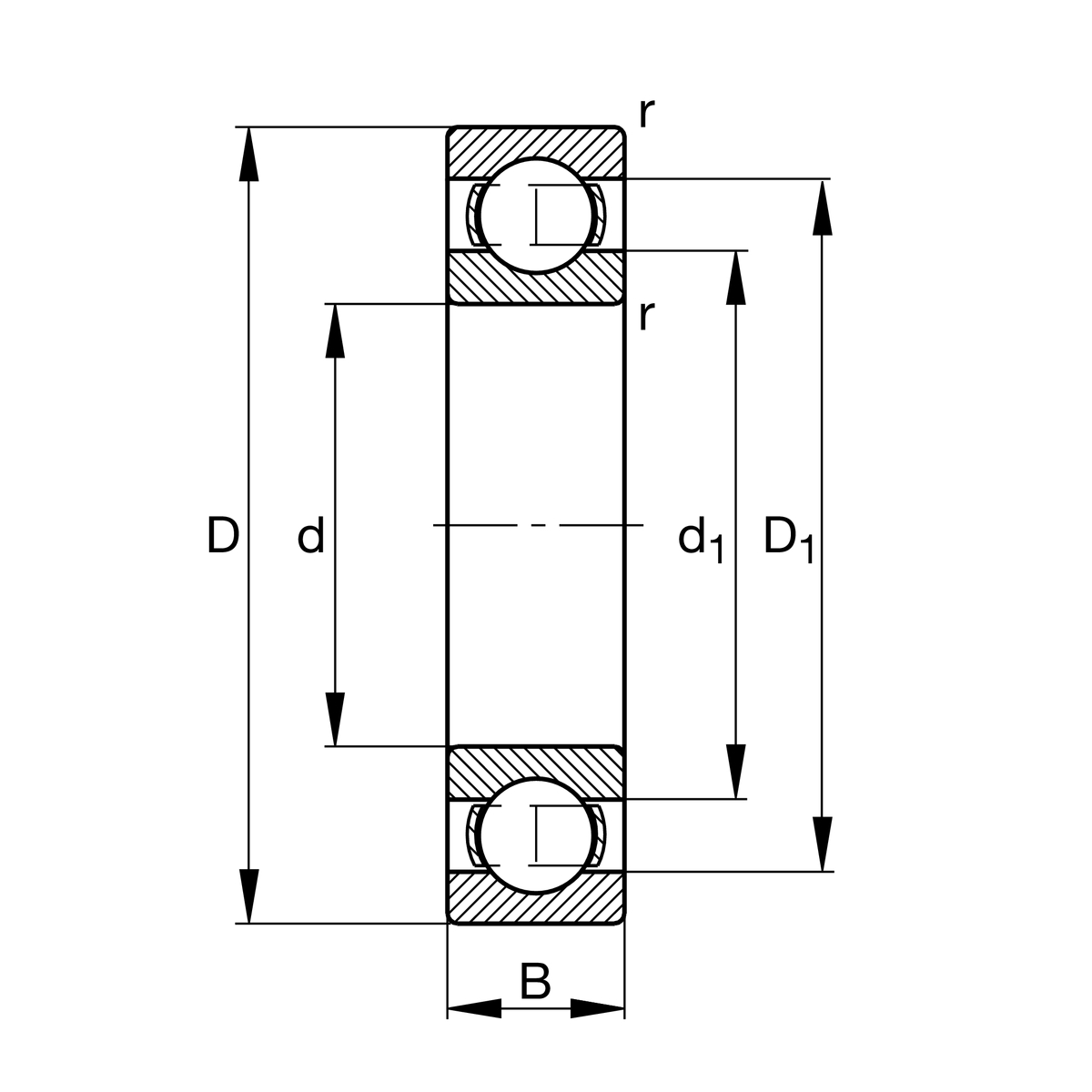
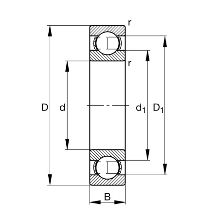
Основные размеры и рабочие характеристики:
- диаметр отверстия: 140 мм;
- наружный диаметр: 250 мм;
- ширина: 42 мм;
- динамическая грузоподъемность, радиальная: 188.000 Н;
- статическая грузоподъемность, радиальная: 165.000 Н;
- предел усталостной нагрузки, радиальный: 8.400 Н;
- предельная частота вращения: 3.600 1/min;
- номинальная тепловая частота вращения: 3.600 1/min;
- вес: 8 кг.
Присоединительные размеры:
- мин. диаметр заплечика вала: 154 мм;
- макс. диаметр заплечика корпуса: 236 мм;
- макс. радиус галтели: 2,5 мм.
Габаритные размеры:
- минимальный размер фаски: 3 мм;
- диаметр заплечика для наружного кольца: 214,4 мм;
- диаметр заплечика внутреннего кольца: 175,9 мм.
Диапазон температур:
- мин. рабочая температура: -30 °C °С;
- макс. рабочая температура: 200 °C °С.
Коэффициенты для расчета:
- коэффициент для расчета: 14,9.
|
Зазор / преднатяг
|
C3 - зазор больше нормального |
|
Внутренний диаметр, мм
|
140 |
|
Наружный диаметр, мм
|
250 |
|
Ширина, мм
|
42 |
|
Вес, кг
|
8 |
|
Страна производства
|
ГЕРМАНИЯ |