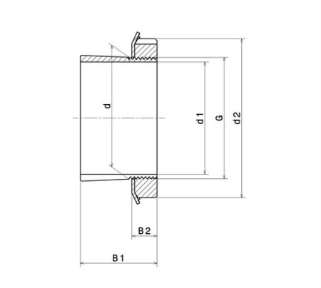
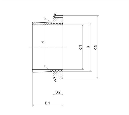
Размеры изделия:
- марка: SNR;
- диаметр отверстия втулки (d1): 100 мм;
- внутренний диаметр (d): 110 мм;
- наружный диаметр фиксирующей гайки (d2): 145 мм;
- длина втулки (B1): 77 мм;
- расстояние между поверхностью подшипника и задней поверхностью гайки (B2): 21 мм;
- обозначение резьбы (G): M110X2 мм;
- вес: 2,203 кг.
Технические характеристики:
- связанный подшипник: 21322;
- отверстие: коническое 1:12.
Компонент комплекта:
- обозначение соответствующей гайки: KM22;
- обозначение соответствующего фиксатора: MB22.
|
Ширина, мм
|
77 |
|
Страна производства
|
ФРАНЦИЯ |