Однорядные конические роликоподшипники ARTNC способны выдерживать комбинированные радиальные и осевые нагрузки, обеспечивая при этом минимальное трение в процессе работы. Конструкция подшипника позволяет отдельно устанавливать внутреннее кольцо с роликами и сепаратором от наружного кольца.
Благодаря разборной конструкции и взаимозаменяемости компонентов, монтаж, демонтаж и техническое обслуживание значительно упрощаются. Для создания жёсткого подшипникового узла можно использовать два однорядных конических роликоподшипника в сопряжении, применив преднатяг.
Преимущества:
- высокая радиальная и осевая грузоподъёмность;
- выдерживают осевые нагрузки в одном направлении;
- низкий коэффициент трения и длительный срок службы;
- разъёмные и взаимозаменяемые компоненты.
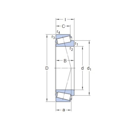
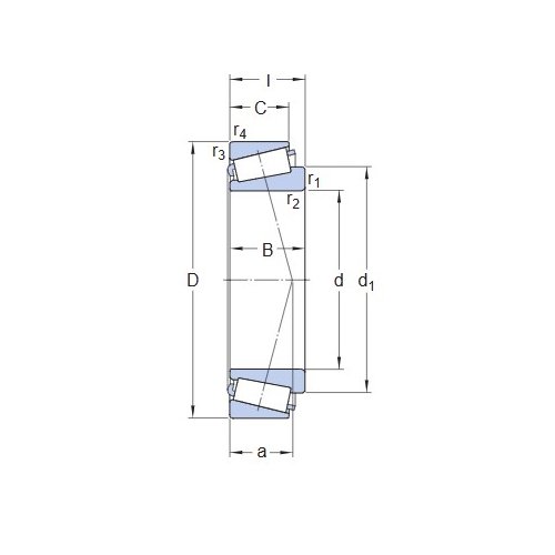
Размеры:
- диаметр отверстия (d): 85 мм;
- наружный диаметр (D): 130 мм;
- общая ширина (T): 29 мм;
- диаметр заплечика внутреннего кольца (d1): ≈108.1 мм;
- ширина внутреннего кольца (B): 29 мм;
- ширина наружного кольца (C): 22 мм;
- размер фаски внутреннего кольца (r1,2): мин. 1.5 мм;
- размер фаски наружного кольца (r3,4): мин. 1.5 мм;
- расстояние от торца до точки давления (a): 28 мм.
Размеры опоры:
- диаметр опоры на валу (da): макс. 95 мм;
- диаметр опоры на валу (db): мин. 95 мм;
- диаметр опоры корпуса (Da): мин. 117 мм;
- диаметр опоры корпуса (Da): макс. 121 мм;
- диаметр опоры корпуса (Db): мин. 125 мм;
- минимальная ширина необходимого пространства в корпусе на большом торце (Ca): мин. 6 мм;
- минимальная ширина необходимого пространства в корпусе на малом торце (Cb): мин. 7 мм;
- радиус галтели вала (ra): макс. 1.5 мм;
- радиус галтели корпуса (rb): макс. 1.5 мм.
Расчётные данные:
- номинальная динамическая грузоподъёмность (C): 171 кН;
- номинальная статическая грузоподъёмность (C0): 224 кН;
- предел усталостной прочности (Pu): 25.5 кН;
- номинальная частота вращения: 3 800 об/мин;
- предельная частота вращения: 4 800 об/мин;
- предельное значение (e): 0.44;
- расчётный коэффициент (Y): 1.35;
- расчётный коэффициент (Y0): 0.8.
|
Сепаратор
|
стальной |
|
Уплотнение
|
без уплотнений (открытый) |
|
Зазор / преднатяг
|
CN - нормальный зазор |
|
Внутренний диаметр, мм
|
85 |
|
Наружный диаметр, мм
|
130 |
|
Ширина, мм
|
29 |
|
Вес, кг
|
1.33 |
|
Страна производства
|
МАЛАЙЗИЯ |