Конический подшипник 30306 (30306M-90KM1) производства Timken - высококачественное изделие, широко используемое в различных отраслях промышленности, таких как автомобилестроение, железнодорожная техника, тяжелое машиностроение и добывающая промышленность.
Особенности конических подшипников Timken:
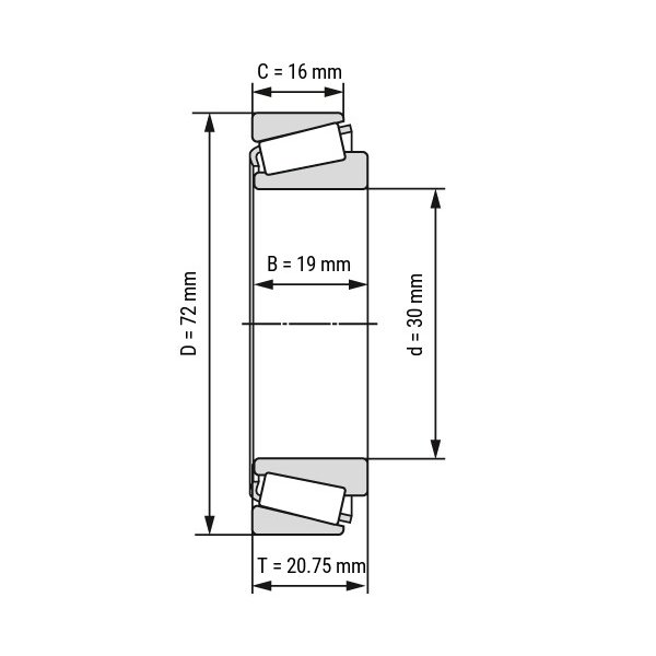
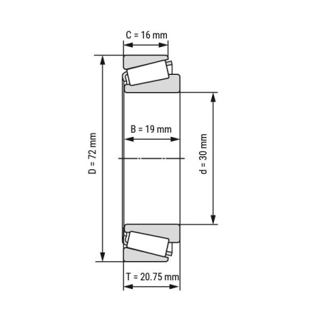
- конструкция: состоит из двух основных частей — внутреннего кольца с роликами и внешнего кольца (обоймы). Ролики имеют форму усеченных конусов, что позволяет выдерживать как радиальные, так и осевые нагрузки;
- прочность: изготовлены из высококачественных сталей, обладающих высокой стойкостью к износу и усталостным повреждениям;
- прецизионность: высокие стандарты точности в производстве обеспечивают долговечность и высокую производительность;
- универсальность: конические подшипники Timken могут использоваться в условиях высоких нагрузок, повышенных температур и в условиях вибрации.
Преимущества:
- способность выдерживать большие нагрузки;
- эффективное распределение нагрузки благодаря конструкции конических роликов;
- низкий уровень трения и тепловыделения при работе;
- высокая надежность и длительный срок службы.
Основные характеристики:
- внутренний диаметр: 30 мм;
- наружный диаметр: 72 мм;
- ширина: 19 мм;
Гарантийный срок - 12 месяцев с момента покупки (при обязательном соблюдения технологии монтажа, режима и условий эксплуатации, предусмотренных производителем).
|
Внутренний диаметр, мм
|
30 |
|
Наружный диаметр, мм
|
72 |
|
Ширина, мм
|
19 |
|
Страна производства
|
США |