Однорядные конические роликоподшипники ARTNC способны выдерживать комбинированные радиальные и осевые нагрузки, обеспечивая при этом минимальное трение в процессе работы. Конструкция подшипника позволяет отдельно устанавливать внутреннее кольцо с роликами и сепаратором от наружного кольца.
Благодаря разборной конструкции и взаимозаменяемости компонентов, монтаж, демонтаж и техническое обслуживание значительно упрощаются. Для создания жёсткого подшипникового узла можно использовать два однорядных конических роликоподшипника в сопряжении, применив преднатяг.
Преимущества:
- высокая радиальная и осевая грузоподъёмность;
- выдерживают осевые нагрузки в одном направлении;
- низкий коэффициент трения и длительный срок службы;
- разъёмные и взаимозаменяемые компоненты.
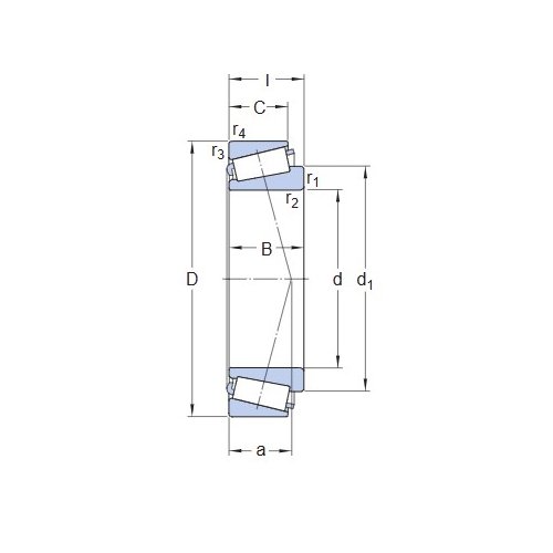
Размеры:
- диаметр отверстия (d): 40 мм;
- наружный диаметр (D): 90 мм;
- общая ширина (T): 25,25 мм;
- диаметр заплечика внутреннего кольца (d1): ≈62,55 мм;
- ширина внутреннего кольца (B): 23 мм;
- ширина наружного кольца (C): 20 мм;
- мин. размер фаски внутреннего кольца (r1,2): 2 мм;
- мин. размер фаски наружного кольца (r3,4): 1,5 мм;
- расстояние от торца до точки давления (a): 19,05 мм.
Размеры опоры:
- макс. диаметр опоры на валу (da): 53 мм;
- мин. диаметр опоры на валу (db): 49,5 мм;
- мин. диаметр опоры корпуса (Da): 77 мм;
- макс. диаметр опоры корпуса (Da): 82 мм;
- мин. диаметр опоры корпуса (Db): 82 мм;
- мин. ширина необходимого пространства в корпусе на большом торце (Ca): 3 мм;
- мин. ширина необходимого пространства в корпусе на малом торце (Cb): 5 мм;
- макс. радиус галтели вала (ra): 2 мм;
- макс. радиус галтели корпуса (rb): 1,5 мм.
Расчётные данные:
- номинальная динамическая грузоподъёмность (C): 106 кН;
- номинальная статическая грузоподъёмность (C0): 95 кН;
- предел усталостной прочности (Pu): 10,8 кН;
- номинальная частота вращения: 6 300 об/мин;
- предельная частота вращения: 8 000 об/мин;
- предельное значение (e): 0,35;
- расчётный коэффициент (Y): 1,7;
- расчётный коэффициент (Y0): 0,9.
|
Сепаратор
|
стальной |
|
Уплотнение
|
без уплотнений (открытый) |
|
Зазор / преднатяг
|
CN - нормальный зазор |
|
Внутренний диаметр, мм
|
40 |
|
Наружный диаметр, мм
|
90 |
|
Ширина, мм
|
25,25 |
|
Вес, кг
|
0.735 |
|
Страна производства
|
МАЛАЙЗИЯ |