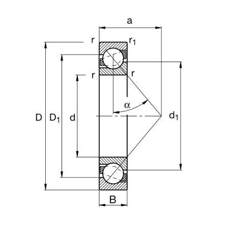
Основные размеры и рабочие характеристики:
- диаметр отверстия: 100 мм;
- наружный диаметр: 180 мм;
- ширина: 34 мм;
- динамическая грузоподъемность, радиальная: 142.000 Н;
- статическая грузоподъемность, радиальная: 124.000 Н;
- предел усталостной нагрузки, радиальный: 7.300 Н;
- предельная частота вращения: 6.300 1/min;
- номинальная тепловая частота вращения: 4.250 1/min;
- вес: 3,575 кг.
Присоединительные размеры:
- мин. диаметр заплечика вала: 112 мм;
- макс. диаметр заплечика корпуса: 168 мм;
- макс. диаметр заплечика корпуса: 173 мм;
- макс. радиус галтели на валу: 2,1 мм;
- макс. радиус галтели на корпусе: 1 мм.
Габаритные размеры:
- минимальный размер фаски: 2,1 мм;
- мин. размер монтажной фаски: 1,1 мм;
- диаметр бортика широкого торца наружного кольца: 149,56 мм;
- диаметр бортика широкого торца внутреннего кольца: 132,32 мм;
- расстояние до вершины конуса давления: 75,7 мм;
- угол контакта: 40 ° °.
Диапазон температур:
- мин. рабочая температура: -30 °C °С;
- макс. рабочая температура: 150 °C °С.
Дополнительная информация:
- осевой зазор на комплект мин.: 54 мкм;
- допуск осевого зазора или предварительного натяга в комплекте: 12 мкм.
|
Внутренний диаметр, мм
|
100 |
|
Наружный диаметр, мм
|
180 |
|
Ширина, мм
|
34 |
|
Вес, кг
|
3.63 |
|
Страна производства
|
ГЕРМАНИЯ |