
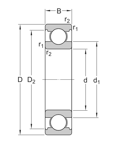
Размеры
| d | 45 mm | Диаметр отверстия |
|---|---|---|
| D | 85 mm | Наружный диаметр |
| B | 30.2 mm | Ширина |
| d2 | ≈ 52.8 mm | Диаметр выточки на заплечике внутреннего кольца |
| D2 | ≈ 77.1 mm | Диаметр выточки на заплечике наружного кольца |
| r1,2 | min. 1.1 mm | Размер фаски внутреннего кольца |
| a | 49 mm | Расстояние до точки (точек) давления |

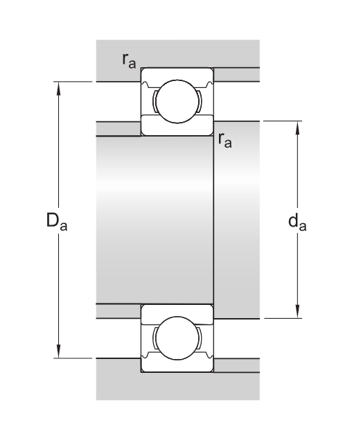
Размеры опоры
| da | min. 52 mm | Диаметр опоры на валу |
|---|---|---|
| da | max. 52.5 mm | Диаметр опоры на валу |
| Da | max. 78 mm | Диаметр опоры в корпусе |
| ra | max. 1 mm | Радиус галтели |
Расчётные данные
| Номинальная динамическая грузоподъёмность | C | 52 kN |
|---|---|---|
| Номинальная статическая грузоподъёмность | C0 | 41.5 kN |
| Предел усталостной прочности | Pu | 1.76 kN |
| Предельная частота вращения | 5 300 r/min | |
| Расчётный коэффициент | kr | 0.06 |
| Предельное значение | e | 0.8 |
| Расчётный коэффициент | X | 0.63 |
| Расчётный коэффициент | Y0 | 0.66 |
| Расчётный коэффициент | Y1 | 0.78 |
| Расчётный коэффициент | Y2 | 1.24 |
|
Внутренний диаметр, мм
|
45 |
|
Наружный диаметр, мм
|
85 |
|
Ширина, мм
|
30,2 |
|
Вес, кг
|
0.67 |
|
Страна производства
|
МАЛАЙЗИЯ |