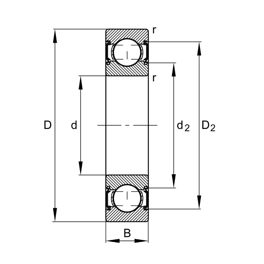
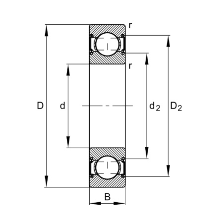
Основные размеры и рабочие характеристики:
- диаметр отверстия: 30 мм;
- наружный диаметр: 72 мм;
- ширина: 19 мм;
- динамическая грузоподъемность, радиальная: 33.500 Н;
- статическая грузоподъемность, радиальная: 16.200 Н;
- предел усталостной нагрузки, радиальный: 1.120 Н;
- предельная частота вращения: 9.300 1/min;
- вес: 0,338 кг.
Присоединительные размеры:
- мин. диаметр заплечика вала: 37 мм;
- макс. диаметр заплечика корпуса: 65 мм;
- макс. радиус галтели: 1 мм.
Габаритные размеры:
- минимальный размер фаски: 1,1 мм;
- диаметр заплечика для наружного кольца: 60,3 мм;
- диаметр кромки у наружного кольца: 63,28 мм;
- диаметр заплечика внутреннего кольца: 43,8 мм;
- диаметр кромки у внутреннего кольца: 41,44 мм.
Диапазон температур:
- мин. рабочая температура: -20 °C °С;
- макс. рабочая температура: 100 °C °С.
Коэффициенты для расчета:
- коэффициент для расчета: 13.
|
Внутренний диаметр, мм
|
30 |
|
Наружный диаметр, мм
|
72 |
|
Ширина, мм
|
19 |
|
Страна производства
|
ГЕРМАНИЯ |