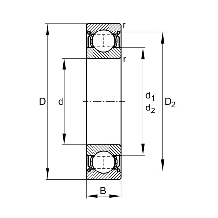
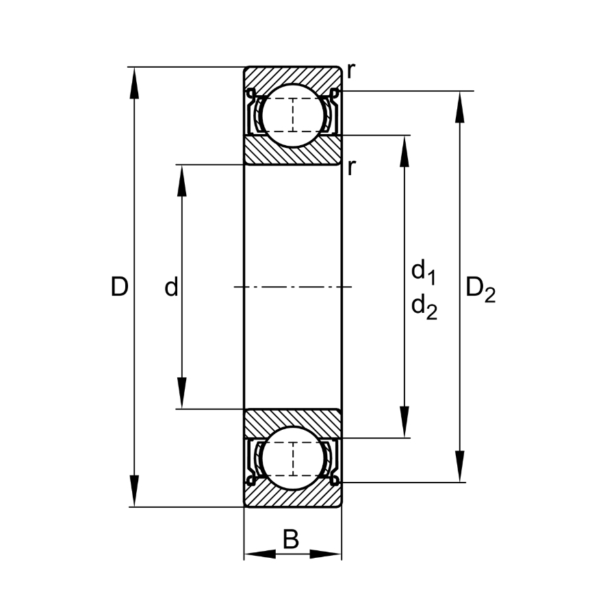
Основные размеры и рабочие характеристики:
- диаметр отверстия: 70 мм;
- наружный диаметр: 110 мм;
- ширина: 20 мм;
- динамическая грузоподъемность, радиальная: 40.500 Н;
- статическая грузоподъемность, радиальная: 31.000 Н;
- предел усталостной нагрузки, радиальный: 1.900 Н;
- предельная частота вращения: 7.300 1/min;
- номинальная тепловая частота вращения: 6.800 1/min;
- вес: 0,596 кг.
Присоединительные размеры:
- мин. диаметр заплечика вала: 76 мм;
- макс. диаметр заплечика корпуса: 104 мм;
- макс. радиус галтели: 1 мм.
Габаритные размеры:
- минимальный размер фаски: 1,1 мм;
- диаметр заплечика для наружного кольца: 97,28 мм;
- диаметр кромки у наружного кольца: 100,04 мм;
- диаметр заплечика внутреннего кольца: 82,75 мм.
Диапазон температур:
- мин. рабочая температура: -20 °C °С;
- макс. рабочая температура: 120 °C °С.
Коэффициенты для расчета:
- коэффициент для расчета: 15,6.
|
Внутренний диаметр, мм
|
70 |
|
Наружный диаметр, мм
|
110 |
|
Ширина, мм
|
20 |
|
Страна производства
|
ГЕРМАНИЯ |