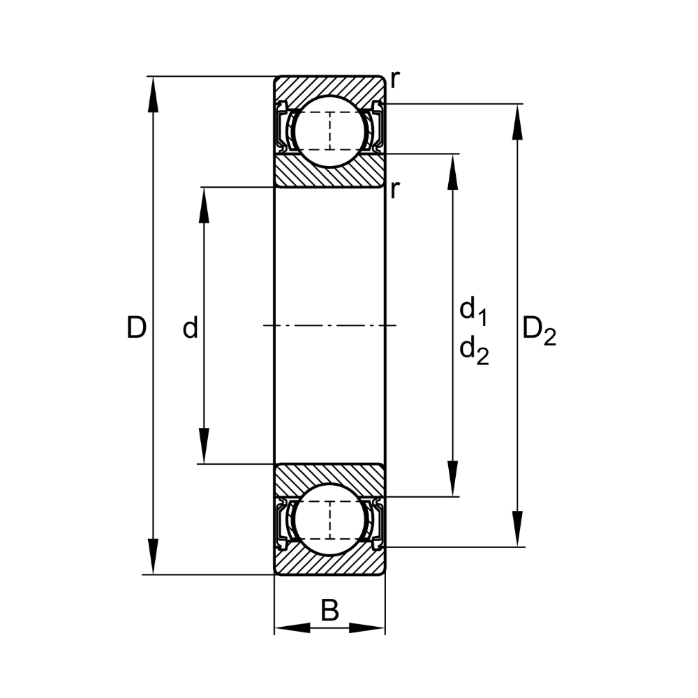
Основные размеры и рабочие характеристики:
- диаметр отверстия: 30 мм;
- наружный диаметр: 62 мм;
- ширина: 20 мм;
- динамическая грузоподъемность, радиальная: 20.700 Н;
- статическая грузоподъемность, радиальная: 11.300 Н;
- предел усталостной нагрузки, радиальный: 780 Н;
- предельная частота вращения: 6.600 1/min;
- вес: 0,25 кг.
Присоединительные размеры:
- мин. диаметр заплечика вала: 35,6 мм;
- макс. диаметр заплечика корпуса: 56,4 мм;
- макс. радиус галтели: 1 мм.
Габаритные размеры:
- минимальный размер фаски: 1 мм;
- диаметр заплечика для наружного кольца: 51,7 мм;
- диаметр кромки у наружного кольца: 55,2 мм;
- диаметр заплечика внутреннего кольца: 40,3 мм;
- диаметр кромки у внутреннего кольца: 38 мм.
Диапазон температур:
- мин. рабочая температура: -20 °C °С;
- макс. рабочая температура: 100 °C °С.
Коэффициенты для расчета:
- коэффициент для расчета: 13,8.
|
Внутренний диаметр, мм
|
30 |
|
Наружный диаметр, мм
|
62 |
|
Ширина, мм
|
20 |
|
Страна производства
|
ГЕРМАНИЯ |