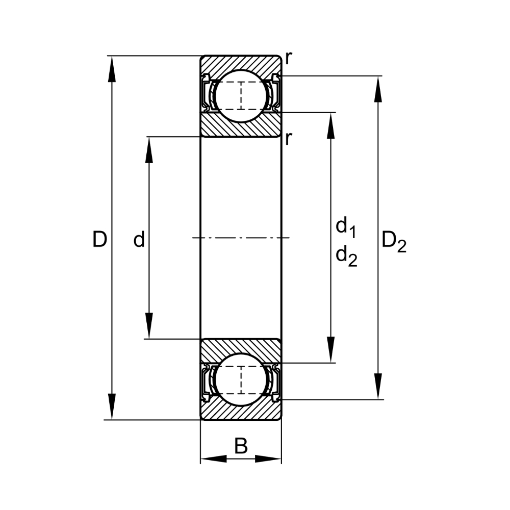
Основные размеры и рабочие характеристики:
- диаметр отверстия: 50 мм;
- наружный диаметр: 90 мм;
- ширина: 23 мм;
- динамическая грузоподъемность, радиальная: 37.500 Н;
- статическая грузоподъемность, радиальная: 23.200 Н;
- предел усталостной нагрузки, радиальный: 1.610 Н;
- предельная частота вращения: 4.250 1/min;
- вес: 0,53 кг.
Присоединительные размеры:
- мин. диаметр заплечика вала: 57 мм;
- макс. диаметр заплечика корпуса: 83 мм;
- макс. радиус галтели: 1 мм.
Габаритные размеры:
- минимальный размер фаски: 1,1 мм;
- диаметр заплечика для наружного кольца: 77,68 мм;
- диаметр кромки у наружного кольца: 81,54 мм;
- диаметр заплечика внутреннего кольца: 62,65 мм;
- диаметр кромки у внутреннего кольца: 60,48 мм.
Диапазон температур:
- мин. рабочая температура: -20 °C °С;
- макс. рабочая температура: 100 °C °С.
Коэффициенты для расчета:
- коэффициент для расчета: 14,4.
|
Внутренний диаметр, мм
|
50 |
|
Наружный диаметр, мм
|
90 |
|
Ширина, мм
|
23 |
|
Страна производства
|
ГЕРМАНИЯ |