Однорядные радиальные шарикоподшипники с уплотнениями или защитными шайбами особенно универсальны, отличаются низким трением, а их конструкция оптимизирована для обеспечения низкого уровня шума и вибрации, что позволяет им работать с высокими частотами вращения.
Они воспринимают радиальные и осевые нагрузки в обоих направлениях, отличаются простотой монтажа и меньшей потребностью в техобслуживании по сравнению с многими подшипниками других типов.
Встроенные уплотнения могут значительно увеличить срок службы подшипника, удерживая смазочный материал внутри и не допуская попадания в него загрязняющих веществ из окружающей среды.
- встроенное уплотнение увеличивает срок службы подшипника;
- простая, универсальная и прочная конструкция;
- низкий коэффициент трения и высокие частоты вращения;
- выдерживают радиальные и осевые нагрузки в обоих направлениях;
- не требуют сложного техобслуживания.
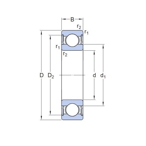
Размеры:
- диаметр отверстия (d): 45 мм;
- наружный диаметр (D): 100 мм;
- ширина (B): 36 мм;
- диаметр заплечика (d1): ≈62,18 мм;
- диаметр выточки (D2): ≈86,7 мм;
- размер фаски (r1,2): мин. 1,5 мм.
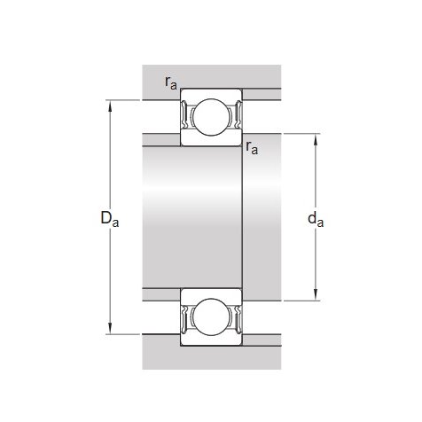
Размеры опоры:
- диаметр опоры на валу (da мин.): 54 мм;
- диаметр опоры на валу (da макс.): 62,1 мм;
- диаметр опоры корпуса (Da макс.): 91 мм;
- радиус галтели вала или корпуса (ra макс.): 1,5 мм.
Расчётные данные:
- номинальная динамическая грузоподъёмность (C): 52,7 кН;
- номинальная статическая грузоподъёмность (C0): 31,5 кН;
- предел усталостной прочности (Pu): 1,34 кН;
- предельная частота вращения: 4500 об/мин;
- коэффициент минимальной нагрузки (kr): 0,03;
- расчётный коэффициент (f0): 13.
|
Сепаратор
|
стальной |
|
Уплотнение
|
контактные уплотнения с двух сторон |
|
Зазор / преднатяг
|
CN - нормальный зазор |
|
Внутренний диаметр, мм
|
45 |
|
Наружный диаметр, мм
|
100 |
|
Ширина, мм
|
36 |
|
Вес, кг
|
1.066 |
|
Страна производства
|
МАЛАЙЗИЯ |