Однорядные радиальные шарикоподшипники с уплотнениями или защитными шайбами особенно универсальны, отличаются низким трением, а их конструкция оптимизирована для обеспечения низкого уровня шума и вибрации, что позволяет им работать с высокими частотами вращения.
Они воспринимают радиальные и осевые нагрузки в обоих направлениях, отличаются простотой монтажа и меньшей потребностью в техобслуживании по сравнению с многими подшипниками других типов.
Встроенные уплотнения могут значительно увеличить срок службы подшипника, удерживая смазочный материал внутри и не допуская попадания в него загрязняющих веществ из окружающей среды.
- встроенное уплотнение увеличивает срок службы подшипника;
- простая, универсальная и прочная конструкция;
- низкий коэффициент трения и высокие частоты вращения;
- выдерживают радиальные и осевые нагрузки в обоих направлениях;
- не требуют сложного техобслуживания.
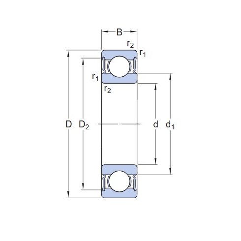
Размеры:
- диаметр отверстия (d): 50 мм;
- наружный диаметр (D): 110 мм;
- ширина (B): 40 мм;
- диаметр заплечика (d1): ≈68,76 мм;
- диаметр выточки (D2): ≈95,2 мм;
- размер фаски (r1,2): мин. 2 мм.
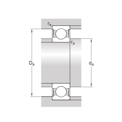
Размеры опоры:
- диаметр опоры на валу (da мин.): 61 мм;
- диаметр опоры на валу (da макс.): 68,7 мм;
- диаметр опоры корпуса (Da макс.): 99 мм;
- радиус галтели вала или корпуса (ra макс.): 2 мм.
Расчётные данные:
- номинальная динамическая грузоподъёмность (C): 61,8 кН;
- номинальная статическая грузоподъёмность (C0): 38 кН;
- предел усталостной прочности (Pu): 1,6 кН;
- предельная частота вращения: 4300 об/мин;
- коэффициент минимальной нагрузки (kr): 0,03;
- расчётный коэффициент (f0): 13.
|
Сепаратор
|
стальной |
|
Уплотнение
|
контактные уплотнения с двух сторон |
|
Зазор / преднатяг
|
CN - нормальный зазор |
|
Внутренний диаметр, мм
|
50 |
|
Наружный диаметр, мм
|
110 |
|
Ширина, мм
|
40 |
|
Вес, кг
|
1.6 |
|
Страна производства
|
МАЛАЙЗИЯ |