Однорядные радиальные шарикоподшипники с уплотнениями или защитными шайбами особенно универсальны, отличаются низким трением, а их конструкция оптимизирована для обеспечения низкого уровня шума и вибрации, что позволяет им работать с высокими частотами вращения.
Они воспринимают радиальные и осевые нагрузки в обоих направлениях, отличаются простотой монтажа и меньшей потребностью в техобслуживании по сравнению с многими подшипниками других типов.
Встроенные уплотнения могут значительно увеличить срок службы подшипника, удерживая смазочный материал внутри и не допуская попадания в него загрязняющих веществ из окружающей среды.
- встроенное уплотнение увеличивает срок службы подшипника;
- простая, универсальная и прочная конструкция;
- низкий коэффициент трения и высокие частоты вращения;
- выдерживают радиальные и осевые нагрузки в обоих направлениях;
- не требуют сложного техобслуживания.
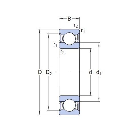
Размеры:
- диаметр отверстия (d): 10 мм;
- наружный диаметр (D): 30 мм;
- ширина (B): 14 мм;
- диаметр заплечика (d1): ≈17 мм;
- диаметр выточки (D2): ≈24,72 мм;
- размер фаски (r1,2): мин. 0,6 мм.
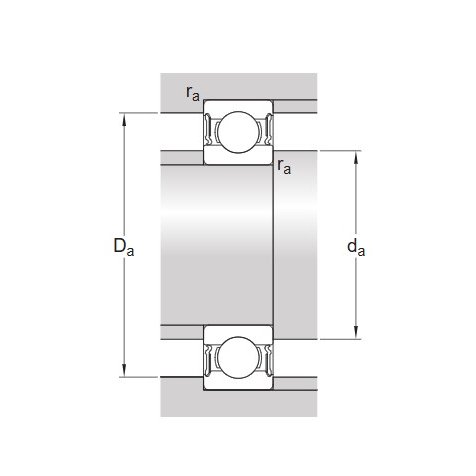
Размеры опоры:
- диаметр опоры на валу (da мин.): 14,2 мм;
- диаметр опоры на валу (da макс.): 16,9 мм;
- диаметр опоры корпуса (Da макс.): 25,8 мм;
- радиус галтели вала или корпуса (ra макс.): 0,6 мм.
Расчётные данные:
- номинальная динамическая грузоподъёмность (C): 5,07 кН;
- номинальная статическая грузоподъёмность (C0): 2,36 кН;
- предел усталостной прочности (Pu): 0,1 кН;
- предельная частота вращения: 17000 об/мин;
- коэффициент минимальной нагрузки (kr): 0,025;
- расчётный коэффициент (f0): 13.
|
Сепаратор
|
стальной |
|
Уплотнение
|
контактные уплотнения с двух сторон |
|
Зазор / преднатяг
|
CN - нормальный зазор |
|
Внутренний диаметр, мм
|
10 |
|
Наружный диаметр, мм
|
30 |
|
Ширина, мм
|
14 |
|
Вес, кг
|
0.048 |
|
Страна производства
|
МАЛАЙЗИЯ |