Подшипник FAG 6214-M — это шариковый подшипник с одиночным рядом и металлическим сепаратором (обозначение "M"). Он предназначен для работы в условиях высокой нагрузки и обладает хорошей устойчивостью к износу.
Благодаря своей конструкции, подшипник FAG 6214-M используется в широком спектре приложений, включая промышленное оборудование, электродвигатели и транспортные средства. Он обеспечивает надежную работу при высоких оборотах и в условиях умеренных температур.
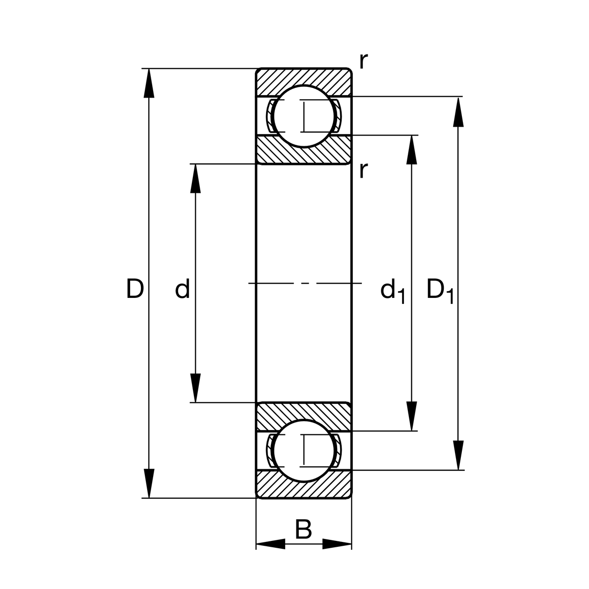
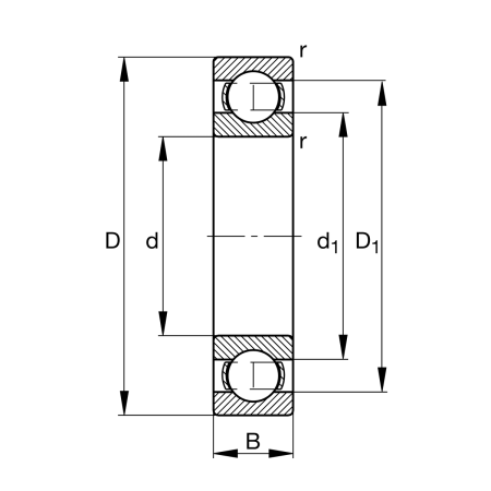
Основные размеры и рабочие характеристики
- диаметр отверстия (d): 70 мм;
- диаметр наружный (D): 125 мм;
- ширина (B): 24 мм;
- динамическая грузоподъемность, радиальная (Cr): 66 000 Н;
- статическая грузоподъемность, радиальная (C0r): 44 000 Н;
- предел усталостной нагрузки, радиальный (Cur): 3 000 Н;
- предельная частота вращения (nG): 10 600 об/мин;
- номинальная тепловая частота вращения (nϑr): 6 100 об/мин;
- вес (≈m): 1,25 кг.
Присоединительные размеры
- мин. диаметр заплечика вала (da min): 79 мм;
- макс. диаметр заплечика корпуса (Da max): 116 мм;
- макс. радиус галтели (ra max): 1,5 мм.
Габаритные размеры
- мин. размер монтажной фаски (rmin): 1,5 мм;
- диаметр бортика наружного кольца (D1): 108,21 мм;
- диаметр кромки у наружного кольца (D2): 110,72 мм;
- диаметр бортика внутреннего кольца (d1): 86,75 мм.
Диапазон температур
- мин. рабочая температура (Tmin): -30 °C;
- макс. рабочая температура (Tmax): 150 °C.
|
Внутренний диаметр, мм
|
70 |
|
Наружный диаметр, мм
|
125 |
|
Ширина, мм
|
24 |
|
Вес, кг
|
1,25 |
|
Страна производства
|
ГЕРМАНИЯ |