

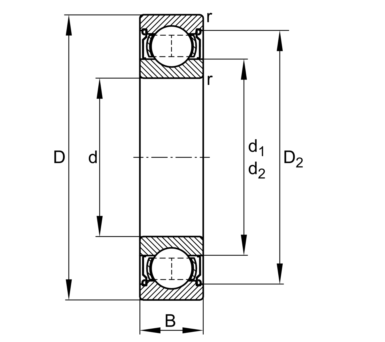
| d | 4 mm | Диаметр отверстия |
| D | 11 mm | Наружный диаметр |
| B | 4 mm | Ширина |
| Cr | 959 N | Динамическая грузоподъемность, радиальная |
| C0r | 347 N | Статическая грузоподъемность, радиальная |
| Cur | 9,3 N | Предел усталостной нагрузки, радиальный |
| nG | 69.000 1/min | Предельная частота вращения |
| ≈m | 1,8 g | Вес |
| da min | 4,8 mm | Мин. диаметр заплечика вала |
| Da max | 10,2 mm | Макс. диаметр заплечика корпуса |
| ra max | 0,15 mm | Макс. радиус галтели |
| rmin | 0,15 mm | Мин. размер монтажной фаски |
| D2 | 9,95 mm | Диаметр кромки у наружного кольца |
| d2 | 5,6 mm | Диаметр кромки у внутреннего кольца |
| Tmin | -30 °C | Мин. рабочая температура |
| Tmax | 120 °C | Макс. рабочая температура |
| f0 | 12,4 | Коэффициент для расчета |
|
Сепаратор
|
стальной |
|
Уплотнение
|
стальные пластины с двух сторон |
|
Зазор / преднатяг
|
CN - нормальный зазор |
|
Внутренний диаметр, мм
|
4 |
|
Наружный диаметр, мм
|
11 |
|
Ширина, мм
|
4 |
|
Вес, кг
|
0.001 |
|
Страна производства
|
ЯПОНИЯ |