Подшипник 16101-ZZ от ведущего мирового производителя Timken, известного своими высококачественными решениями для различных отраслей промышленности, обеспечивает надежное и плавное вращение при высоких скоростях, гарантируя долговечность и стабильную работу в сложных условиях эксплуатации.
Основные характеристики:
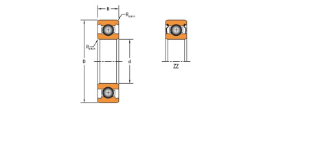
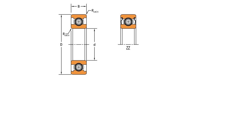
- внутренний диаметр: 12 мм;
- наружный диаметр: 30 мм;
- ширина: 8 мм;
- тип подшипника: ZZ (металлические шайбы с обеих сторон);
- внутренный зазор: стандартный;
- масса: 0,024 кг.
Гарантийный срок - 12 месяцев с момента покупки (при обязательном соблюдения технологии монтажа, режима и условий эксплуатации, предусмотренных производителем).
|
Сепаратор
|
стальной |
|
Уплотнение
|
стальные пластины с двух сторон |
|
Зазор / преднатяг
|
CN - нормальный зазор |
|
Внутренний диаметр, мм
|
12 |
|
Наружный диаметр, мм
|
30 |
|
Ширина, мм
|
8 |
|
Вес, кг
|
0.024 |
|
Страна производства
|
США |