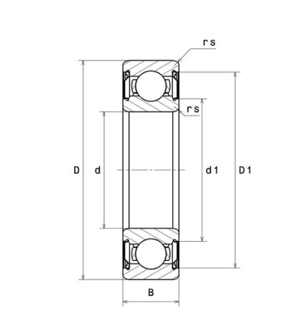
Размеры:
- марка: SNR;
- внутренний диаметр (d): 90 мм;
- наружный диаметр (D): 140 мм;
- ширина подшипника/внутреннего кольца (B): 24 мм;
- наружный диаметр внутреннего кольца (d1): 101,3 мм;
- внутренний диаметр наружного кольца (D1): 129,1 мм;
- минимальный радиус галтели (rs): 1,5 мм;
- класс радиального зазора: CN;
- вес: 1,175 кг.
Производительность продукта:
- динамическая грузоподъёмность (C): 61,3 кН;
- статическая грузоподъёмность (C0): 49,8 кН;
- предельная усталостная нагрузка (Cu): 2,11 кН;
- коэффициент (f0): 15.6 кН;
- базовая частота вращения (N ref): 5600 об/мин;
- предельная частота вращения (N lim): 6200 об/мин;
- мин. рабочая температура (Tmin): -30 °C;
- макс. рабочая температура (Tmax): 120 °C.
Частоты подшипников:
- частота вращения по внешнему кольцу (60 об/мин) (BPFO): 6,082 Гц;
- частота вращения внутреннему кольцу (60 об/мин) (BPFI): 7,918 Гц;
- частота вращения тела качения (60 об/мин) (BSF): 7,494 Гц;
- частота вращения: качающийся элемент (BRF): 3,747 Гц;
- частота вращения сепаратора (60 об/мин) (FTF): 0,434 Гц.
Размеры окружающих деталей:
- минимальный диаметр буртика вала (da min): 98 мм;
- максимальный диаметр буртика вала (da max): 101,3 мм;
- максимальный диаметр буртика корпуса (Da max): 132 мм;
- максимальный радиус галтели вала и корпуса (ra max): 1,5 мм.
|
Сепаратор
|
стальной |
|
Уплотнение
|
стальные пластины с двух сторон |
|
Зазор / преднатяг
|
CN - нормальный зазор |
|
Внутренний диаметр, мм
|
90 |
|
Наружный диаметр, мм
|
140 |
|
Ширина, мм
|
24 |
|
Вес, кг
|
1.175 |
|
Страна производства
|
ФРАНЦИЯ |