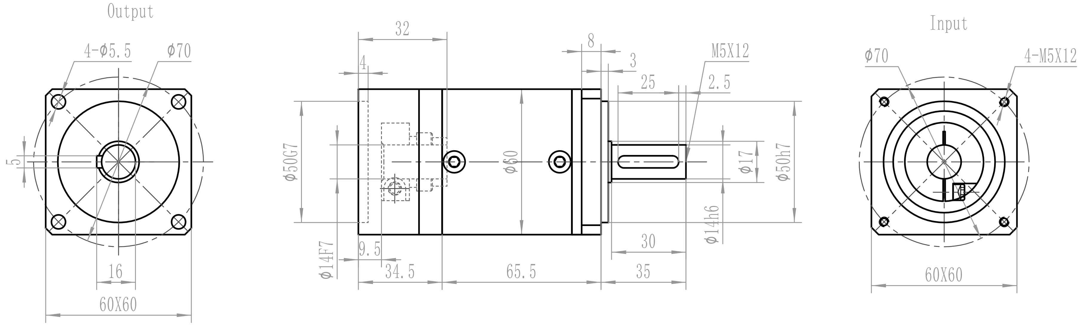
Планетарный прецизионный редуктор ARTNC PF060L2-020-P2-S2-14-30-50-70-M5 применяется в оборудовании с большими скоростями вращения, имеет высокий КПД, длительный срок службы, простоту монтажа.
Характеристики:
- тип редуктора: планетарный;
- передаточное отношение: 1:20;
- тип выходного вала: со шпонкой;
- размер входного фланца: 60 мм;
- диаметр входного вала: 14 мм;
- размер выходного фланца: 60 мм;
- диаметр выходного вала: 16 мм;
- номинальный крутящий момент на выходном валу редуктора: 50 Н·м;
- форма выходного фланца: квадратный;
- угловой люфт (arcmin): не более 8.
Сферы применения
- станкостроение;
- общее машиностроение;
- автоматизация.
|
Передаточное число редуктора
|
20 |
|
Входной вал, мм
|
14 |
|
Выходной фланец, мм
|
60 |
|
Длина, мм
|
60 |
|
Ширина, мм
|
150 |
|
Высота, мм
|
60 |
|
Вес, кг
|
1.15 |