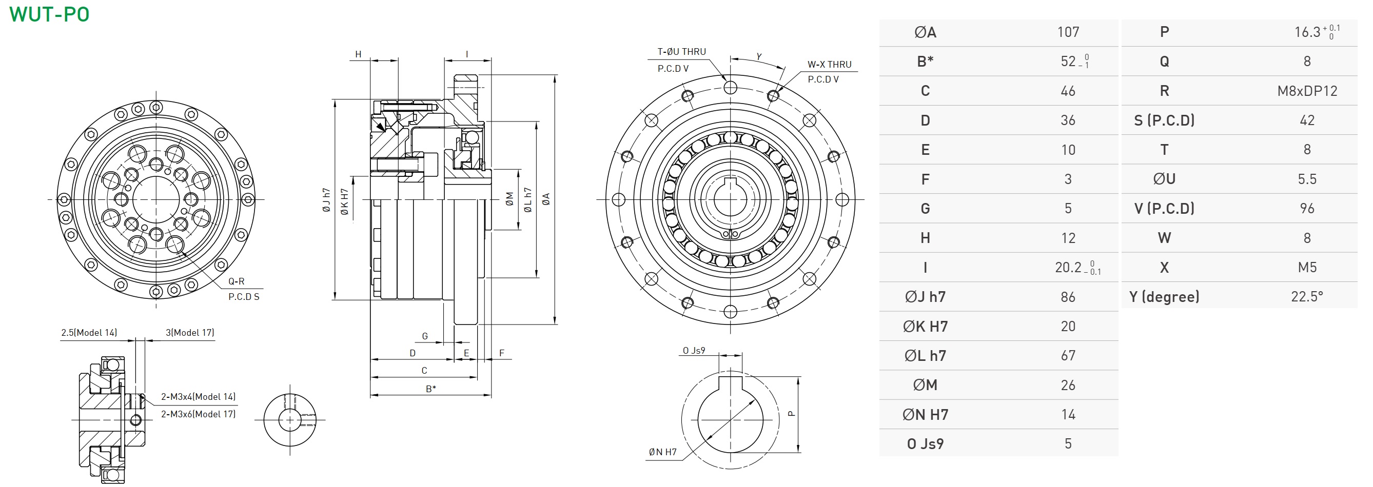
Основное преимущество волнового редуктора HIWIN WUT-S-25-100-PO заключается в минимальном угловом люфте, компактности размеров и высокой плавностью хода.
Характеристики:
- тип редуктора: волновой;
- типоразмер: 25;
- передаточное отношение: 100;
- совместимость с двигателем (диаметр входного вала): 14 мм (фланец изготавливается индивидуально);
- номинальный момент на выходном валу редуктора: 67 Н*м;
- пиковый момент на выходном валу редуктора: 157 Н*м;
- мгновенный допустимый максимальный крутящий момент: 284 Н*м;
- длина: 52 мм;
- ширина: 107 мм.
Сферы применения:
- станкостроение;
- медицина;
- общее машиностроение;
- робототехника и др.
|
Типоразмер
|
25 |
|
Номинальный момент, Нм
|
67 |
|
Передаточное число редуктора
|
100 |
|
Длина, мм
|
107 |
|
Ширина, мм
|
52 |
|
Высота, мм
|
107 |
|
Вес, кг
|
2.6 |