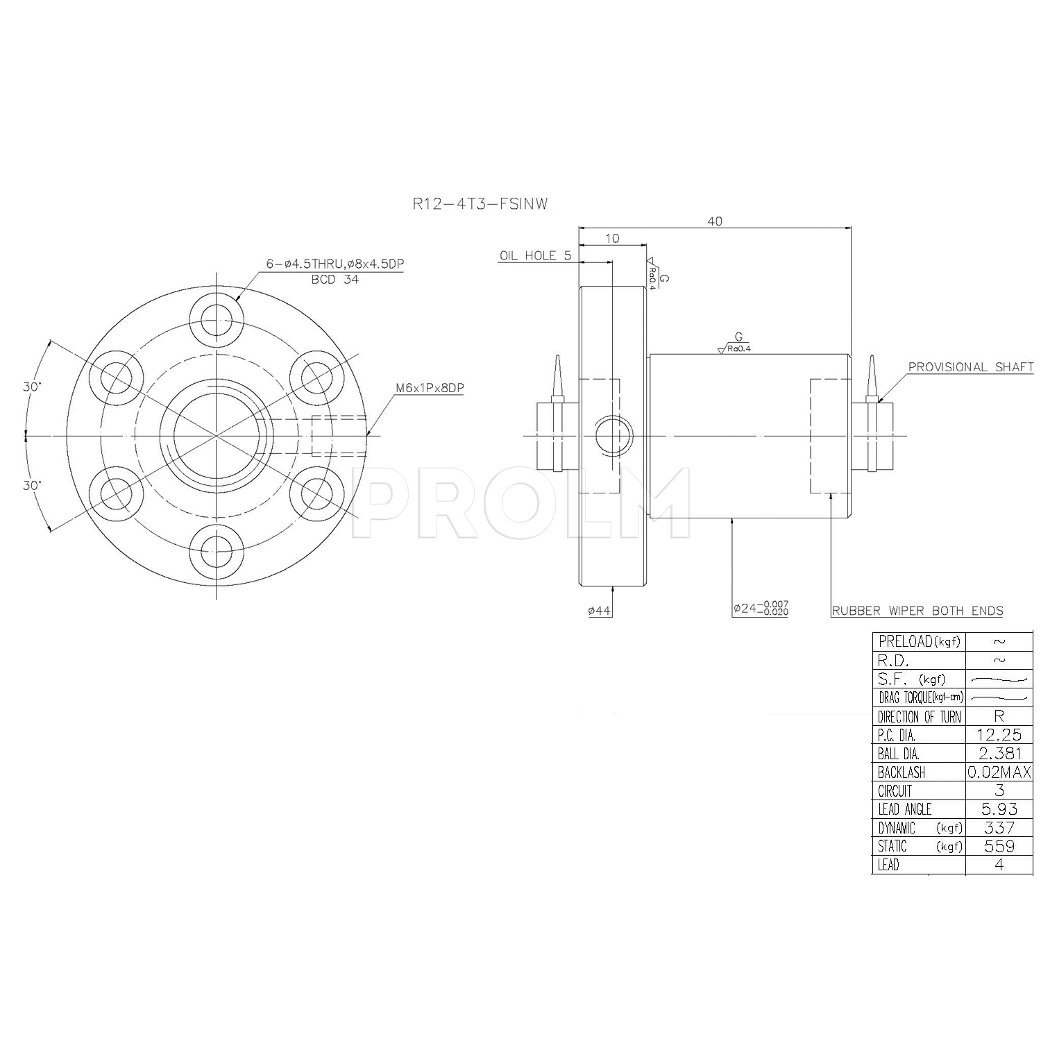
Фланцевая одинарная гайка шариковинтового привода (ШВП) R12-4T3-FSINWE производства компании HIWIN с внутренним типом рециркуляции шариков, без предварительного натяга.
Характеристики:
- динамическая нагрузка: 337 кгс;
- статическая нагрузка: 559 кгс;
- тип резьбы: правосторонняя;
- диаметр резьбы: 12 мм;
- шаг: 4 мм;
- диаметр шариков: 2.381 мм;
- тип исполнения механизма рециркуляции: Т (одновитковая рециркуляция с помощью возвратного колпачка);
- число циркулирующих контуров: 3;
- зазор: 0.02 max.
Обозначение гайки ШВП R12-4T3-FSINWE расшифровывается следующим образом: R12 - гайка с однозаходной правосторонней резьбой номинальным диаметром резьбы 12 мм, 4 - шаг резьбы 4 мм, T3 - конструкция гайки предусматривает 3 контура T с 1 (одной) дорожкой качения в каждом контуре, FSI - фланцевая одинарная гайка с внутренним типом рециркуляции, NW - контактное резиновое уплотнение, E - специальное исполнение.
Гайка используется в шариковинтовой передаче, применяемой для высокоточных приводных систем в станках с ЧПУ, измерительных устройствах, модулях линейного перемещения и т.п. Шариковинтовые передачи (ШВП) по сравнению с передачами скольжения имеют ряд преимуществ, таких как: высокий КПД, малые потери на трение, медленный износ, большая осевая жесткость, возможность регулирования осевого зазора и создания предварительного натяга в резьбовом соединении, необходимость в значительно меньшей мощности приводных электродвигателей.
|
Типоразмер ШВП
|
R12-4 |
|
Номинальный диаметр, мм
|
12 |
|
Тип резьбы
|
R (правосторонняя) |
|
Шаг резьбы, мм
|
4 |
|
Тип гайки
|
FSI |
|
Диаметр шарика, мм
|
2,381 |
|
Конструкция гайки
|
T3 |
|
Длина, мм
|
40 |
|
Ширина, мм
|
44 |
|
Высота, мм
|
44 |
|
Вес, кг
|
0.2 |
|
Страна производства
|
Тайвань |