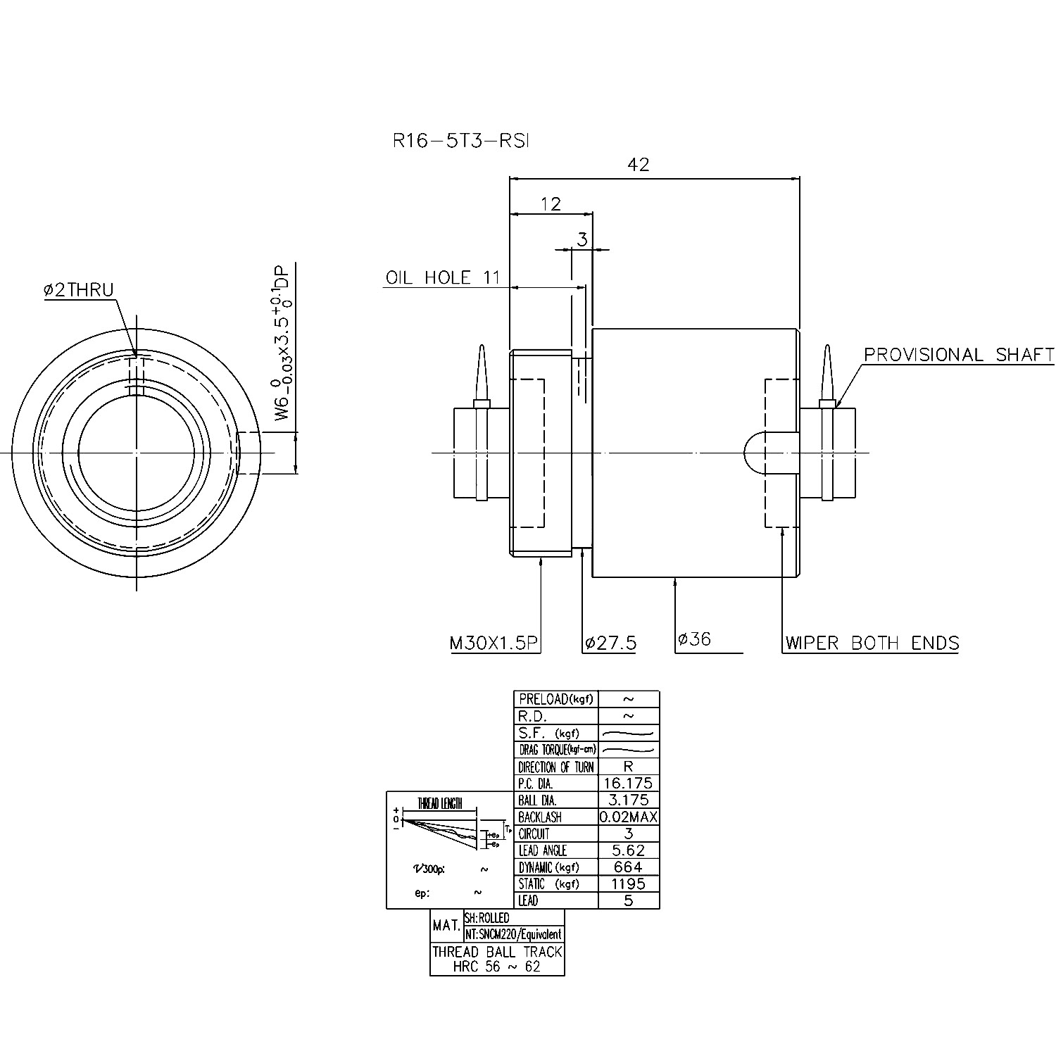
Цилиндрическая одинарная гайка шариковинтового привода (ШВП) R16-5T3-RSI производства компании HIWIN с внутренним типом рециркуляции шариков, без предварительного натяга.
Характеристики:
- динамическая нагрузка: 664 кгс;
- статическая нагрузка: 1195 кгс;
- тип резьбы: правосторонняя;
- диаметр резьбы: 16 мм;
- шаг: 5 мм;
- диаметр шариков: 3.175 мм;
- тип исполнения механизма рециркуляции: Т (одновитковая рециркуляция с помощью возвратного колпачка);
- число циркулирующих контуров: 3;
- зазор: 0,02 max.
Обозначение гайки ШВП R16-5T3-RSI расшифровывается следующим образом: R16 - гайка с однозаходной правосторонней резьбой номинальным диаметром резьбы 16 мм, 5 - шаг резьбы 5 мм, T3 - конструкция гайки предусматривает 3 контура T с 1 (одной) дорожкой качения в каждом контуре, RSI - цилиндрическая одинарная гайка с внутренним типом рециркуляции.
Гайка используется в шариковинтовой передаче, применяемой для высокоточных приводных систем в станках с ЧПУ, измерительных устройствах, модулях линейного перемещения и т.п. Шариковинтовые передачи (ШВП) по сравнению с передачами скольжения имеют ряд преимуществ, таких как: высокий КПД, малые потери на трение, медленный износ, большая осевая жесткость, возможность регулирования осевого зазора и создания предварительного натяга в резьбовом соединении, необходимость в значительно меньшей мощности приводных электродвигателей.
|
Номинальный диаметр, мм
|
16 |
|
Тип резьбы
|
R (правосторонняя) |
|
Шаг резьбы, мм
|
5 |
|
Тип гайки
|
RSI |
|
Диаметр шарика, мм
|
3,175 |
|
Конструкция гайки
|
T3 |
|
Длина, мм
|
42 |
|
Ширина, мм
|
36 |
|
Высота, мм
|
36 |
|
Вес, кг
|
0.2 |
|
Страна производства
|
Тайвань |