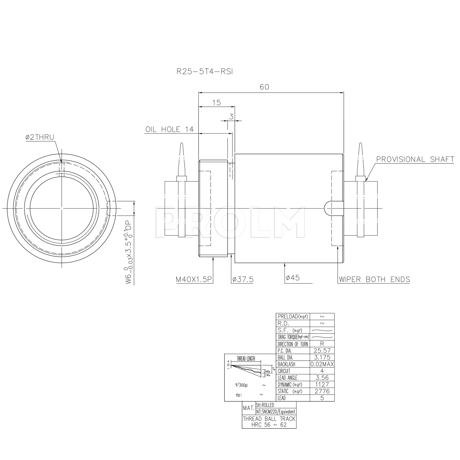
Цилиндрическая одинарная гайка шариковинтового привода (ШВП) R25-5T4-RSI производства компании HIWIN с внутренним типом рециркуляции шариков, без предварительного натяга. Динамическая нагрузка – 1127 кгс, статическая нагрузка – 2776 кгс.
Тип резьбы: правосторонняя Диаметр резьбы: 25 мм Шаг: 5 мм Диаметр шариков: 3.175 мм Тип исполнения механизма рециркуляции: T (одновитковая рециркуляция с помощью возвратного колпачка) Число циркулирующих контуров: 4 Зазор: 0.02 maxОбозначение гайки ШВП R25-5T4-RSINW расшифровывается следующим образом: R25 - гайка с однозаходной правосторонней резьбой номинальным диаметром резьбы 25 мм, 5 – шаг резьбы 5 мм, T4 - конструкция гайки предусматривает 4 контура T с 1 (одной) дорожкой качения в каждом контуре, RSI - цилиндрическая одинарная гайка с внутренним типом рециркуляции.
Гайка используется в шариковинтовой передаче, применяемой для высокоточных приводных систем в станках с ЧПУ, измерительных устройствах, модулях линейного перемещения и т.п. Шариковинтовые передачи (ШВП) по сравнению с передачами скольжения имеют ряд преимуществ, таких как: высокий КПД, малые потери на трение, медленный износ, большая осевая жесткость, возможность регулирования осевого зазора и создания предварительного натяга в резьбовом соединении, необходимость в значительно меньшей мощности приводных электродвигателей.
|
Номинальный диаметр, мм
|
25 |
|
Тип резьбы
|
R (правосторонняя) |
|
Шаг резьбы, мм
|
5 |
|
Тип гайки
|
RSI |
|
Диаметр шарика, мм
|
3,175 |
|
Конструкция гайки
|
T4 |
|
Длина, мм
|
60 |
|
Ширина, мм
|
45 |
|
Высота, мм
|
45 |
|
Вес, кг
|
0.4 |