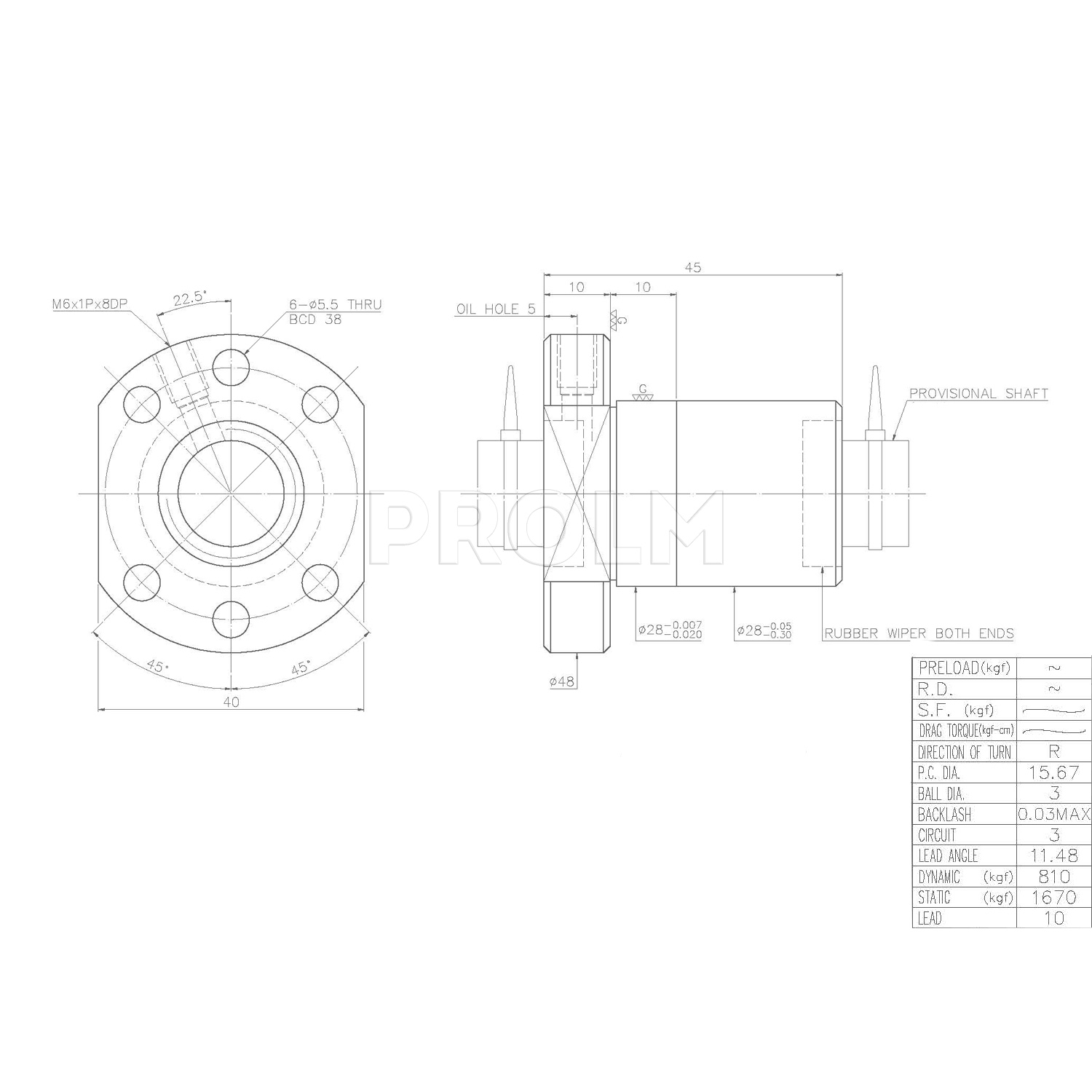
Фланцевая одинарная гайка шариковинтового привода (ШВП) R16-10K3-FSCNW производства компании HIWIN с внутренним типом рециркуляции шариков, без предварительного натяга.
Характеристики:
- динамическая нагрузка: 810 кгс;
- статическая нагрузка: 1670 кгс;
- тип резьбы: правосторонняя;
- диаметр резьбы: 16 мм;
- шаг: 10 мм;
- диаметр шариков: 3 мм;
- тип исполнения механизма рециркуляции: K (одноконтурная рециркуляция сквозь тело гайки);
- число циркулирующих контуров: 1;
- число рабочих витков шариковой дорожки: 3;
- зазор: 0.03 max.
Обозначение гайки ШВП R16-10K3-FSCNW расшифровывается следующим образом: R16 - гайка с правосторонней резьбой номинальным диаметром резьбы 16 мм, 10 - шаг резьбы 10 мм, K3 - конструкция гайки предусматривает 1 контур K с 3-мя рабочими витками шариковой дорожки, FSC - фланцевая одинарная гайка с внутренним типом рециркуляции, NW - контактное резиновое уплотнение.
Гайка используется в шариковинтовой передаче, применяемой для высокоточных приводных систем в станках с ЧПУ, измерительных устройствах, модулях линейного перемещения и т.п. Шариковинтовые передачи (ШВП) по сравнению с передачами скольжения имеют ряд преимуществ, таких как: высокий КПД, малые потери на трение, медленный износ, большая осевая жесткость, возможность регулирования осевого зазора и создания предварительного натяга в резьбовом соединении, необходимость в значительно меньшей мощности приводных электродвигателей.
|
Номинальный диаметр, мм
|
15 |
|
Тип резьбы
|
2R (2-х заходная правосторонняя) |
|
Шаг резьбы, мм
|
10 |
|
Тип гайки
|
FSC |
|
Диаметр шарика, мм
|
3 |
|
Конструкция гайки
|
K3 |
|
Дополнительные функции
|
NW (контактное резиновое уплотнение) |
|
Вес, кг
|
0.2 |
|
Страна производства
|
Тайвань |