| Серия размеров | 7GB |
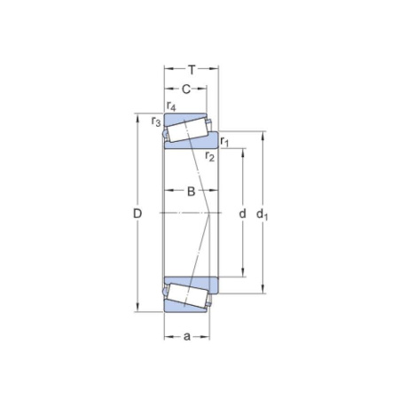
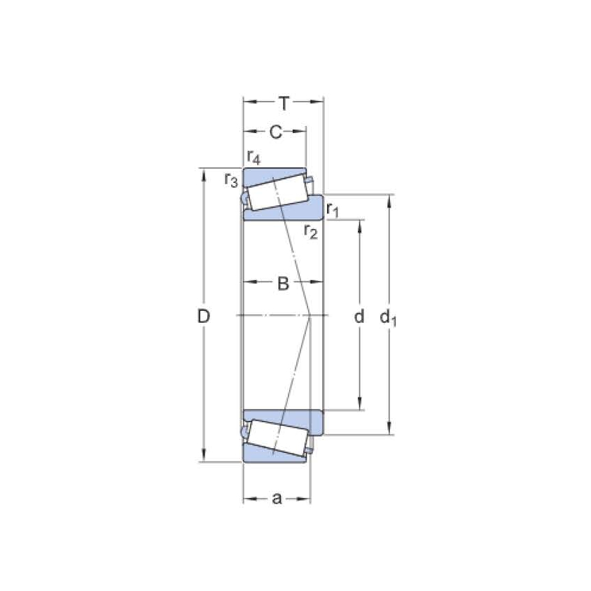
Размеры
| d | 100 mm | Диаметр отверстия |
|---|---|---|
| D | 215 mm | Наружный диаметр |
| T | 56.5 mm | Общая ширина |
| d1 | ≈ 158.61 mm | Диаметр заплечика внутреннего кольца |
| B | 51 mm | Ширина внутреннего кольца |
| C | 35 mm | Ширина наружного кольца |
| r1,2 | min. 4 mm | Размер фаски внутреннего кольца |
| r3,4 | min. 3 mm | Размер фаски наружного кольца |
| a | 64.953 mm | Расстояние от торца до точки давления |
Размеры опоры
| da | max. 121 mm | Диаметр опоры на валу |
|---|---|---|
| db | min. 116 mm | Диаметр опоры на валу |
| Da | min. 168 mm | Диаметр опоры корпуса |
| Da | max. 202.5 mm | Диаметр опоры корпуса |
| Db | min. 202 mm | Диаметр опоры корпуса |
| Ca | min. 7 mm | Минимальная ширина необходимого пространства в корпусе на большом торце |
| Cb | min. 21.5 mm | Минимальная ширина необходимого пространства в корпусе на малом торце |
| ra | max. 4 mm | Радиус галтели вала |
| rb | max. 3 mm | Радиус галтели корпуса |
Расчётные данные
| Номинальная динамическая грузоподъёмность | C | 399 kN |
|---|---|---|
| Номинальная статическая грузоподъёмность | C0 | 465 kN |
| Предел усталостной прочности | Pu | 51 kN |
| Номинальная частота вращения | 2 200 r/min | |
| Предельная частота вращения | 3 000 r/min | |
| Предельное значение | e | 0.83 |
| Расчётный коэффициент | Y | 0.72 |
| Расчётный коэффициент | Y0 | 0.4 |
|
Сепаратор
|
стальной |
|
Уплотнение
|
без уплотнений (открытый) |
|
Зазор / преднатяг
|
CN - нормальный зазор |
|
Внутренний диаметр, мм
|
100 |
|
Наружный диаметр, мм
|
215 |
|
Ширина, мм
|
57,25 |
|
Вес, кг
|
8.61 |
|
Страна производства
|
ШВЕЦИЯ |