| Серия размеров | 4DC |
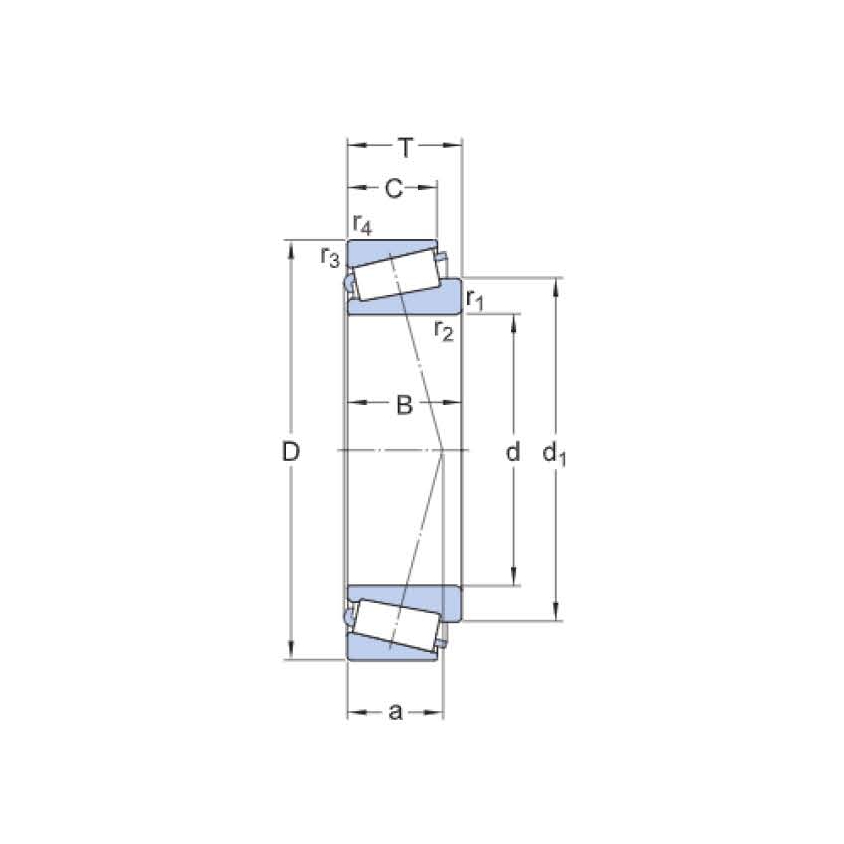
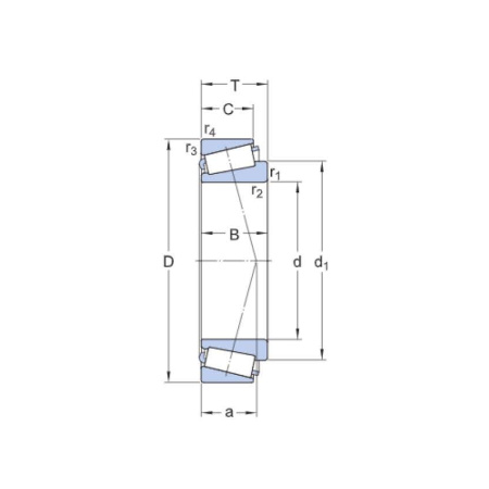
Размеры
| d | 110 mm | Диаметр отверстия |
|---|---|---|
| D | 170 mm | Наружный диаметр |
| T | 38 mm | Общая ширина |
| d1 | ≈ 140.9 mm | Диаметр заплечика внутреннего кольца |
| B | 38 mm | Ширина внутреннего кольца |
| C | 29 mm | Ширина наружного кольца |
| r1,2 | min. 2.5 mm | Размер фаски внутреннего кольца |
| r3,4 | min. 2 mm | Размер фаски наружного кольца |
| a | 36.1 mm | Расстояние от торца до точки давления |
Размеры опоры
| da | max. 123 mm | Диаметр опоры на валу |
|---|---|---|
| db | min. 122.5 mm | Диаметр опоры на валу |
| Da | min. 152 mm | Диаметр опоры корпуса |
| Da | max. 159.5 mm | Диаметр опоры корпуса |
| Db | min. 163 mm | Диаметр опоры корпуса |
| Ca | min. 7 mm | Минимальная ширина необходимого пространства в корпусе на большом торце |
| Cb | min. 9 mm | Минимальная ширина необходимого пространства в корпусе на малом торце |
| ra | max. 2.5 mm | Радиус галтели вала |
| rb | max. 2 mm | Радиус галтели корпуса |
Расчётные данные
| Номинальная динамическая грузоподъёмность | C | 288 kN |
|---|---|---|
| Номинальная статическая грузоподъёмность | C0 | 390 kN |
| Предел усталостной прочности | Pu | 40 kN |
| Номинальная частота вращения | 3 000 r/min | |
| Предельная частота вращения | 3 600 r/min | |
| Предельное значение | e | 0.43 |
| Расчётный коэффициент | Y | 1.4 |
| Расчётный коэффициент | Y0 | 0.8 |
|
Сепаратор
|
стальной |
|
Уплотнение
|
без уплотнений (открытый) |
|
Зазор / преднатяг
|
CN - нормальный зазор |
|
Внутренний диаметр, мм
|
110 |
|
Наружный диаметр, мм
|
170 |
|
Ширина, мм
|
38 |
|
Вес, кг
|
3,07 |
|
Страна производства
|
ШВЕЦИЯ |