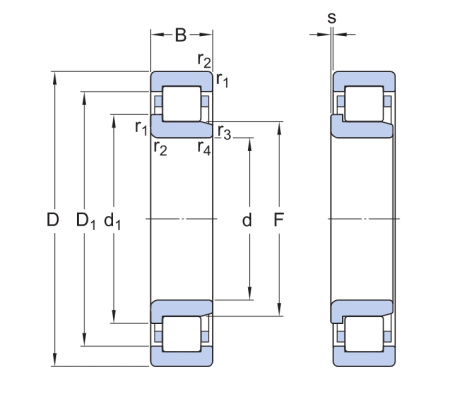
Размеры
| d | 17 mm | Диаметр отверстия |
|---|---|---|
| D | 40 mm | Наружный диаметр |
| B | 12 mm | Ширина |
| d1 | ≈ 25 mm | Диаметр заплечика внутреннего кольца |
| D1 | ≈ 32 mm | Диаметр заплечика наружного кольца |
| F | 22.1 mm | Диаметр дорожки качения внутреннего кольца |
| r1,2 | min. 0.6 mm | Размер фаски |
| r3,4 | min. 0.3 mm | Размер фаски |
| s | max. 1 mm | Допустимое осевое смещение |
Размеры опоры
| da | min. 20.7 mm | Диаметр распорной втулки |
|---|---|---|
| da | max. 21.1 mm | Диаметр распорной втулки |
| db | min. 27 mm | Диаметр опоры на валу |
| Da | max. 36 mm | Диаметр опоры корпуса |
| ra | max. 0.6 mm | Радиус галтели |
Расчётные данные
| Номинальная динамическая грузоподъёмность | C | 20 kN |
|---|---|---|
| Номинальная статическая грузоподъёмность | C0 | 14.3 kN |
| Предел усталостной прочности | Pu | 1.73 kN |
| Номинальная частота вращения | 20 000 r/min | |
| Предельная частота вращения | 22 000 r/min | |
| Коэффициент минимальной нагрузки | kr | 0.15 |
| Предельное значение | e | 0.2 |
| Расчётный коэффициент | Y | 0.6 |
|
Сепаратор
|
полимерный |
|
Уплотнение
|
без уплотнений (открытый) |
|
Зазор / преднатяг
|
CN - нормальный зазор |
|
Внутренний диаметр, мм
|
17 |
|
Наружный диаметр, мм
|
40 |
|
Ширина, мм
|
12 |
|
Вес, кг
|
0,08 |
|
Страна производства
|
ШВЕЦИЯ |