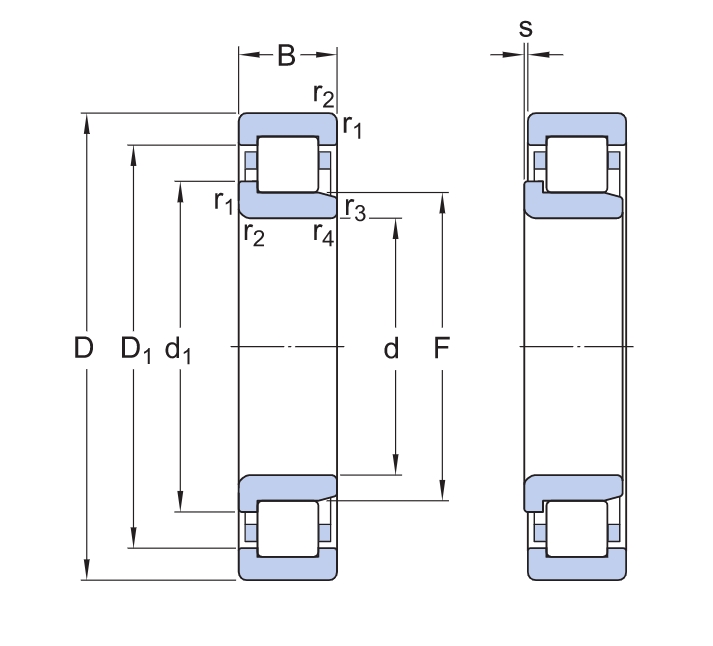
Размеры
| d | 35 mm | Диаметр отверстия |
|---|---|---|
| D | 72 mm | Наружный диаметр |
| B | 23 mm | Ширина |
| d1 | ≈ 48.1 mm | Диаметр заплечика внутреннего кольца |
| D1 | ≈ 60.2 mm | Диаметр заплечика наружного кольца |
| F | 44 mm | Диаметр дорожки качения внутреннего кольца |
| r1,2 | min. 1.1 mm | Размер фаски |
| r3,4 | min. 0.6 mm | Размер фаски |
| s | max. 2.8 mm | Допустимое осевое смещение |
Размеры опоры
| da | min. 41.8 mm | Диаметр распорной втулки |
|---|---|---|
| da | max. 42.2 mm | Диаметр распорной втулки |
| db | min. 50 mm | Диаметр опоры на валу |
| Da | max. 65.1 mm | Диаметр опоры корпуса |
| ra | max. 1 mm | Радиус галтели |
Расчётные данные
| Номинальная динамическая грузоподъёмность | C | 69.5 kN |
|---|---|---|
| Номинальная статическая грузоподъёмность | C0 | 63 kN |
| Предел усталостной прочности | Pu | 8.15 kN |
| Номинальная частота вращения | 11 000 r/min | |
| Предельная частота вращения | 12 000 r/min | |
| Коэффициент минимальной нагрузки | kr | 0.2 |
| Предельное значение | e | 0.3 |
| Расчётный коэффициент | Y | 0.4 |
|
Сепаратор
|
полимерный |
|
Уплотнение
|
без уплотнений (открытый) |
|
Зазор / преднатяг
|
CN - нормальный зазор |
|
Внутренний диаметр, мм
|
35 |
|
Наружный диаметр, мм
|
72 |
|
Ширина, мм
|
23 |
|
Вес, кг
|
0,415 |
|
Страна производства
|
ШВЕЦИЯ |