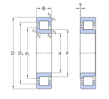
Размеры
| d | 60 mm | Диаметр отверстия |
|---|---|---|
| D | 130 mm | Наружный диаметр |
| B | 31 mm | Ширина |
| d1 | ≈ 84.3 mm | Диаметр заплечика внутреннего кольца |
| D1 | ≈ 108.6 mm | Диаметр заплечика наружного кольца |
| F | 77 mm | Диаметр дорожки качения внутреннего кольца |
| r1,2 | min. 2.1 mm | Размер фаски |
| r3,4 | min. 2.1 mm | Размер фаски |
| s | max. 2.1 mm | Допустимое осевое смещение |
Размеры опоры
| da | min. 72 mm | Диаметр распорной втулки |
|---|---|---|
| da | max. 74 mm | Диаметр распорной втулки |
| db | min. 87 mm | Диаметр опоры на валу |
| Da | max. 118.1 mm | Диаметр опоры корпуса |
| ra | max. 2 mm | Радиус галтели |
Расчётные данные
| Номинальная динамическая грузоподъёмность | C | 173 kN |
|---|---|---|
| Номинальная статическая грузоподъёмность | C0 | 160 kN |
| Предел усталостной прочности | Pu | 21.2 kN |
| Номинальная частота вращения | 5 600 r/min | |
| Предельная частота вращения | 6 700 r/min | |
| Коэффициент минимальной нагрузки | kr | 0.15 |
| Предельное значение | e | 0.2 |
| Расчётный коэффициент | Y | 0.6 |
|
Сепаратор
|
обработанный металл |
|
Уплотнение
|
без уплотнений (открытый) |
|
Зазор / преднатяг
|
C3 - зазор больше нормального |
|
Внутренний диаметр, мм
|
60 |
|
Наружный диаметр, мм
|
130 |
|
Ширина, мм
|
31 |
|
Вес, кг
|
2.15 |
|
Страна производства
|
ШВЕЦИЯ |