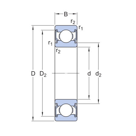
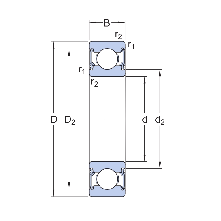
Радиальный самоустанавливающийся шариковый подшипник 6212-2RS1/C3 производства компании SKF.
Характеристики:
- внутренний диаметр (d): 60 мм;
- наружный диаметр (D): 110 мм;
- ширина (B): 22 мм;
- масса изделия: 0,787 кг.
|
Внутренний диаметр, мм
|
60 |
|
Наружный диаметр, мм
|
110 |
|
Ширина, мм
|
22 |
|
Вес, кг
|
0,787 |
|
Страна производства
|
ШВЕЦИЯ |