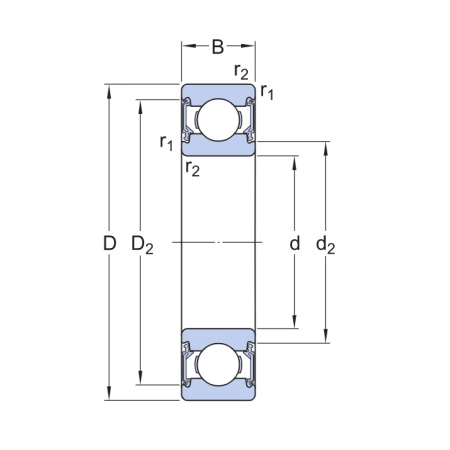
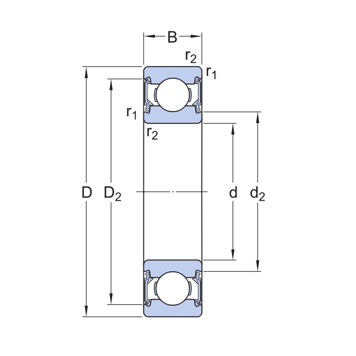
Радиальный самоустанавливающийся шариковый подшипник 6217-2RS1/C3 производства компании SKF.
Характеристики:
- внутренний диаметр (d): 85 мм;
- наружный диаметр (D): 150 мм;
- ширина (B): 28 мм;
- масса изделия: 1,83 кг.
|
Внутренний диаметр, мм
|
85 |
|
Наружный диаметр, мм
|
150 |
|
Ширина, мм
|
28 |
|
Вес, кг
|
1,83 |
|
Страна производства
|
ШВЕЦИЯ |