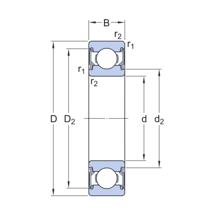
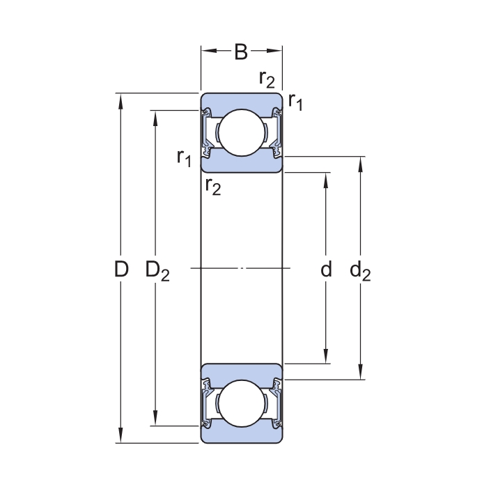
Радиальный самоустанавливающийся шариковый подшипник 6307-2Z/C3 производства компании SKF.
Характеристики:
- внутренний диаметр (d): 35 мм;
- наружный диаметр (D): 80 мм;
- ширина (B): 21 мм;
- масса изделия: 0,46 кг.
|
Сепаратор
|
стальной |
|
Уплотнение
|
стальные пластины с двух сторон |
|
Зазор / преднатяг
|
C3 - зазор больше нормального |
|
Внутренний диаметр, мм
|
35 |
|
Наружный диаметр, мм
|
80 |
|
Ширина, мм
|
21 |
|
Вес, кг
|
0.47 |
|
Страна производства
|
ШВЕЦИЯ |