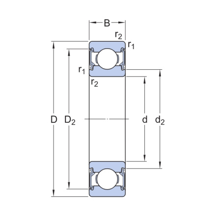
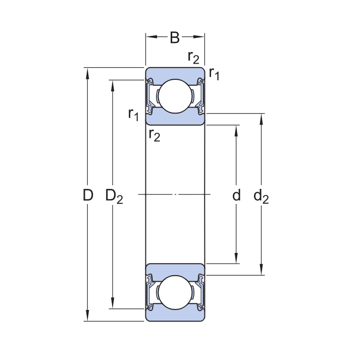
Радиальный самоустанавливающийся шариковый подшипник 6314-2RS1/C3 производства компании SKF.
Характеристики:
- внутренний диаметр (d): 70 мм;
- наружный диаметр (D): 150 мм;
- ширина (B): 35 мм;
- масса изделия: 2,6 кг.
|
Внутренний диаметр, мм
|
70 |
|
Наружный диаметр, мм
|
150 |
|
Ширина, мм
|
35 |
|
Вес, кг
|
2,6 |
|
Страна производства
|
ШВЕЦИЯ |