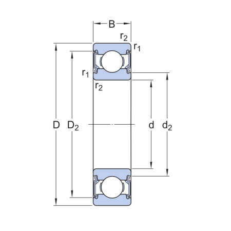
Размеры
| d |
20
mm
|
Диаметр отверстия |
|---|---|---|
| D |
42
mm
|
Наружный диаметр |
| B |
12
mm
|
Ширина |
| d1 |
≈
27.2 mm
|
Диаметр заплечика |
| D2 |
≈
37.19 mm
|
Диаметр выточки |
| r1,2 |
min.
0.6 mm
|
Размер фаски |
Размеры опоры
| da |
min.
23.2 mm
|
Диаметр опоры на валу |
|---|---|---|
| Da |
max.
38.8 mm
|
Диаметр опоры корпуса |
| ra |
max.
0.6 mm
|
Радиус галтели вала или корпуса |
|
Внутренний диаметр, мм
|
20 |
|
Наружный диаметр, мм
|
42 |
|
Ширина, мм
|
12 |
|
Вес, кг
|
0.02 |
|
Страна производства
|
ШВЕЦИЯ |