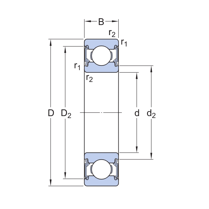
Размеры
| d | 90 mm | Диаметр отверстия |
|---|---|---|
| D | 140 mm | Наружный диаметр |
| B | 24 mm | Ширина |
| d1 | ≈ 105.95 mm | Диаметр заплечика |
| D2 | ≈ 128.3 mm | Диаметр выточки |
| r1,2 | min. 1.5 mm | Размер фаски |
Размеры опоры
| da | min. 97 mm | Диаметр опоры на валу |
|---|---|---|
| da | max. 105.9 mm | Диаметр опоры на валу |
| Da | max. 133 mm | Диаметр опоры корпуса |
| ra | max. 1.5 mm | Радиус галтели вала или корпуса |
Расчётные данные
| Номинальная динамическая грузоподъёмность | C | 60.5 kN |
|---|---|---|
| Номинальная статическая грузоподъёмность | C0 | 50 kN |
| Предел усталостной прочности | Pu | 1.96 kN |
| Номинальная частота вращения | 10 000 r/min | |
| Предельная частота вращения | 5 000 r/min | |
| Коэффициент минимальной нагрузки | kr | 0.025 |
| Расчётный коэффициент | f0 | 15.6 |
Допуск
| Допуск по размерам | P6 |
| Радиальное биение | Normal |
|
Сепаратор
|
стальной |
|
Уплотнение
|
стальные пластины с двух сторон |
|
Зазор / преднатяг
|
CN - нормальный зазор |
|
Внутренний диаметр, мм
|
90 |
|
Наружный диаметр, мм
|
140 |
|
Ширина, мм
|
24 |
|
Вес, кг
|
1.194 |
|
Страна производства
|
ШВЕЦИЯ |