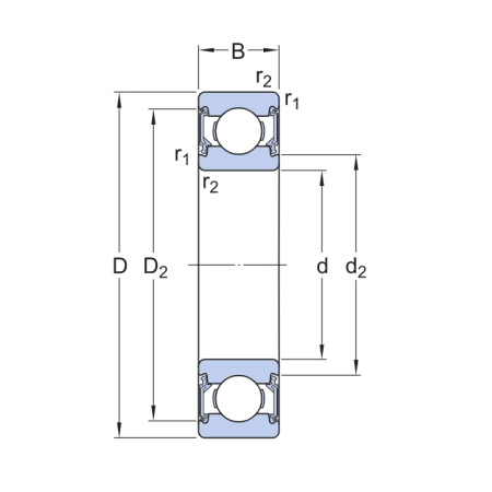
Размеры
| d | 30 mm | Диаметр отверстия |
|---|---|---|
| D | 47 mm | Наружный диаметр |
| B | 9 mm | Ширина |
| d1 | ≈ 35.25 mm | Диаметр заплечика |
| D2 | ≈ 42.7 mm | Диаметр выточки |
| r1,2 | min. 0.3 mm | Размер фаски |
Размеры опоры
| da | min. 32 mm | Диаметр опоры на валу |
|---|---|---|
| Da | max. 45 mm | Диаметр опоры корпуса |
| ra | max. 0.3 mm | Радиус галтели вала или корпуса |
Расчётные данные
| Номинальная динамическая грузоподъёмность | C | 7.28 kN |
|---|---|---|
| Номинальная статическая грузоподъёмность | C0 | 4.55 kN |
| Предел усталостной прочности | Pu | 0.212 kN |
| Номинальная частота вращения | 30 000 r/min | |
| Предельная частота вращения | 19 000 r/min | |
| Коэффициент минимальной нагрузки | kr | 0.02 |
| Расчётный коэффициент | f0 | 14.4 |
Допуск
| Допуск по размерам | Normal |
| Радиальное биение | Normal |
|
Сепаратор
|
стальной |
|
Уплотнение
|
без уплотнений (открытый) |
|
Зазор / преднатяг
|
CN - нормальный зазор |
|
Внутренний диаметр, мм
|
30 |
|
Наружный диаметр, мм
|
47 |
|
Ширина, мм
|
9 |
|
Вес, кг
|
0.05 |
|
Страна производства
|
ШВЕЦИЯ |