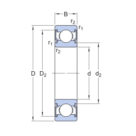
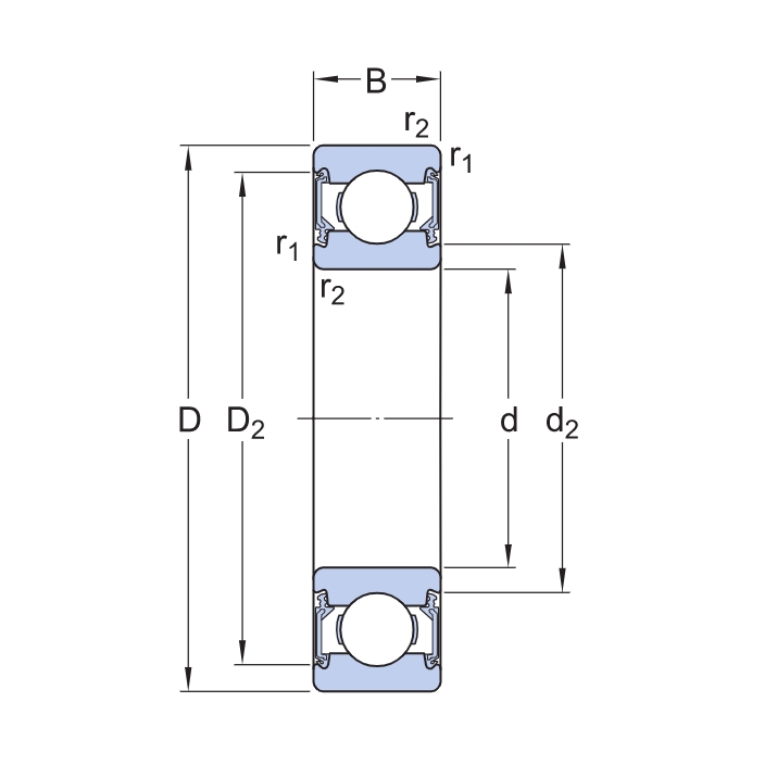
Размеры
| d | 10 mm | Диаметр отверстия |
|---|---|---|
| D | 22 mm | Наружный диаметр |
| B | 6 mm | Ширина |
| D2 | ≈ 19.4 mm | Диаметр выточки |
| r1,2 | min. 0.3 mm | Размер фаски |
Размеры опоры
| da | min. 12 mm | Диаметр опоры на валу |
|---|---|---|
| da | max. 12 mm | Диаметр опоры на валу |
| Da | max. 20 mm | Диаметр опоры корпуса |
| ra | max. 0.3 mm | Радиус галтели вала или корпуса |
Расчётные данные
| Номинальная динамическая грузоподъёмность | C | 2.7 kN |
|---|---|---|
| Номинальная статическая грузоподъёмность | C0 | 1.27 kN |
| Предел усталостной прочности | Pu | 0.054 kN |
| Предельная частота вращения | 20 000 r/min | |
| Коэффициент минимальной нагрузки | kr | 0.02 |
| Расчётный коэффициент | f0 | 14 |
Допуск
| Допуск по размерам | Normal |
| Радиальное биение | Normal |
|
Сепаратор
|
стальной |
|
Уплотнение
|
контактные уплотнения с двух сторон |
|
Зазор / преднатяг
|
CN - нормальный зазор |
|
Внутренний диаметр, мм
|
10 |
|
Наружный диаметр, мм
|
22 |
|
Ширина, мм
|
6 |
|
Вес, кг
|
0.01 |
|
Страна производства
|
ШВЕЦИЯ |