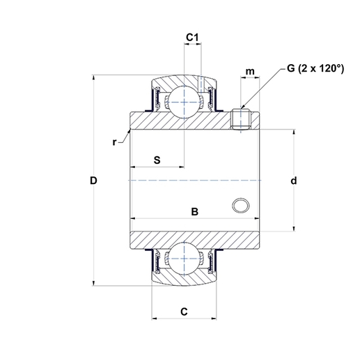
Размеры изделия:
- ширина внутреннего кольца (B): 108 мм;
- ширина наружного кольца (C): 54 мм;
- расстояние от центра наружного кольца до центра зоны подачи смазки (C1): 19 мм;
- диаметр вала (d): 100 мм;
- наружный диаметр наружного кольца (D): 215 мм;
- размер установочного винта (G): M18x1,5;
- расстояние до установочного винта (m): 18 мм;
- радиус внутреннего кольца (r): 3,5 мм;
- расстояние передняя сторона/центр подшипника (S): 42 мм;
- коэффициент (f0): 13,2;
- размер ключа (SW): 9 мм.
Производительность продукта:
- динамическая грузоподъёмность (C): 171,6 кН;
- статическая грузоподъёмность (C0): 140 кН;
- рабочая температура мин. (мин.): -20 °C;
- рабочая температура макс. (макс.): 100 °C.
Другие особенности:
- вес (m): 11,2 кг;
- рекомендованный момент затяжки для стопорных винтов: 75 N·м.
Частоты подшипников:
- частота вращения по внешнему кольцу (BPFO) при 60 об/мин: 3,073 Гц;
- частота вращения внутреннему кольцу (BPFI) при 60 об/мин: 4,927 Гц;
- частота вращения тела качения (BSF) при 60 об/мин: 4,082 Гц;
- частота прохождения контакта тела качения (BRF) при 60 об/мин: 2,041 Гц;
- частота вращения сепаратора (FTF) при 60 об/мин: 0,384 Гц.
|
Внутренний диаметр, мм
|
100 |
|
Наружный диаметр, мм
|
215 |
|
Ширина, мм
|
108 |
|
Вес, кг
|
10.8 |
|
Страна производства
|
ЯПОНИЯ |