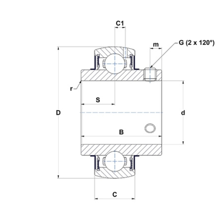
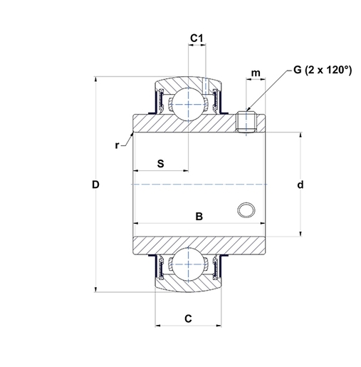
Размеры изделия:
- ширина внутреннего кольца (B): 31 мм;
- ширина наружного кольца (C): 16 мм;
- расстояние от центра наружного кольца до центра зоны подачи смазки (C1): 4,4 мм;
- диаметр вала (d): 20 мм;
- наружный диаметр наружного кольца (D): 47 мм;
- размер установочного винта (G): M6x1 мм;
- расстояние до установочного винта (m): 4,7 мм;
- радиус внутреннего кольца (r): 0.6 мм;
- расстояние передняя сторона/центр подшипника (S): 12,7 мм;
- коэффициент (f0): 13.2 мм;
- размер ключа (SW): 3 мм.
Производительность продукта:
- динамическая грузоподъёмность (C): 12,8 кН;
- статическая грузоподъёмность (C0): 6,65 кН;
- рабочая температура мин.: -20;
- рабочая температура макс.: 100.
Другие особенности:
- вес: 0,17 кг;
- рекомендованный момент затяжки для стопорных винтов: 5,5.
Частоты подшипников:
- частота вращения по внешнему кольцу (60 об/мин) (BPFO): 3,063 Гц;
- частота вращения внутреннему кольцу (60 об/мин) (BPFI): 4,937 Гц;
- частота вращения тела качения (60 об/мин) (BSF): 4,037 Гц;
- частота прохождения контакта тела качения (60 об/мин) (BRF): 2,018 Гц;
- частота вращения сепаратора (60 об/мин) (FTF): 0,383 Гц.
|
Внутренний диаметр, мм
|
20 |
|
Наружный диаметр, мм
|
47 |
|
Ширина, мм
|
31 |
|
Вес, кг
|
0.185 |
|
Страна производства
|
ЯПОНИЯ |