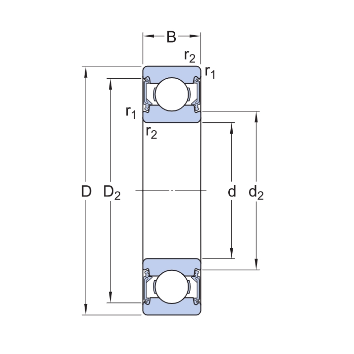
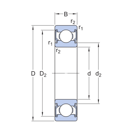
Радиальный самоустанавливающийся шариковый подшипник 6214-2RS1 производства компании SKF.
Характеристики:
- внутренний диаметр (d): 70 мм;
- наружный диаметр (D): 125 мм;
- ширина (B): 24 мм;
- масса изделия: 1,1 кг.
|
Сепаратор
|
стальной |
|
Уплотнение
|
контактные уплотнения с двух сторон |
|
Зазор / преднатяг
|
CN - нормальный зазор |
|
Внутренний диаметр, мм
|
70 |
|
Наружный диаметр, мм
|
125 |
|
Ширина, мм
|
24 |
|
Вес, кг
|
1.13 |
|
Страна производства
|
ШВЕЦИЯ |